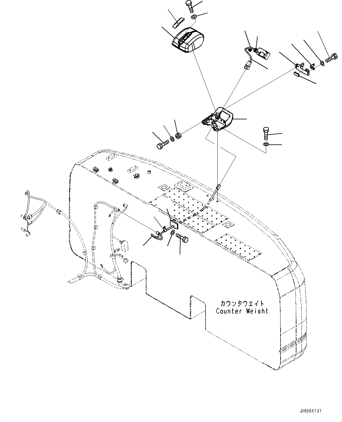
Запчасти Komatsu PC220-8 ЗАДН.VIEW MIRROR, CAMERA NO. (№8-) ЗАДН.VIEW MIRROR, -CAMERA

Схема запчастей Komatsu PC220-8 - ЗАДН.VIEW MIRROR, CAMERA NO. (№8-) ЗАДН.VIEW MIRROR, -CAMERA
3
7
9
12
20
2
8
11
10
13
22
23
17
19
18
1
4
5
6
14
16
15
21
FIT
1:1
100%

Артикул

Название

Примечание

Количество

1

7835-33-2001

Camera

1

7835-33-2000

Camera

2

207-06-76420

Cover

3

20Y-06-71210

Cover

4

22U-06-31440

Bracket

5

22U-06-31430

Bracket

6

207-06-76460

Sheet

7

20Y-810-1240

Cushion

8

01010-80835

Bolt

9

01643-30823

Washer

10

01010-81230

Bolt

11

01643-31232

Washer

12

01010-80616

Bolt

13

01643-30623

Washer

14

175-06-81610

Grommet

15

01010-80616

Bolt

16

01643-30623

Washer

17

04434-51012

Clip

18

01010-81225

Bolt

19

01643-31232

Washer

20

207-06-76451

Cover

21

08059-00310

Clip

22

207-06-76490

Sheet

23

20Y-06-42610

Cable

Выбрано товаров: 24