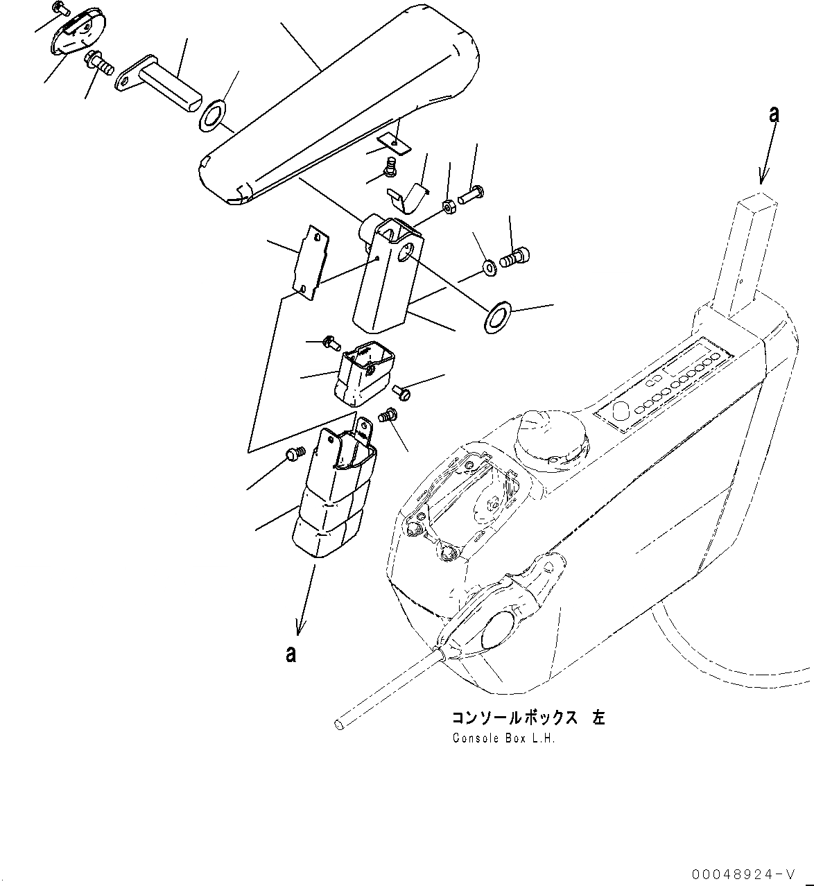
Запчасти Komatsu PC220-8 КАБИНА, ПОЛ, ПОДЛОКОТНИК, ЛЕВ. (№8-) КАБИНА, С -ДОПОЛН. АКТУАТОР ТРУБЫ, АККУМУЛЯТОР, МАСТЕР КЛЮЧ

Схема запчастей Komatsu PC220-8 - КАБИНА, ПОЛ, ПОДЛОКОТНИК, ЛЕВ. (№8-) КАБИНА, С -ДОПОЛН. АКТУАТОР ТРУБЫ, АККУМУЛЯТОР, МАСТЕР КЛЮЧ
5
2
1
4
3
6
7
8
8
10
9
11
12
13
14
14
15
16
16
17
18
19
FIT
1:1
100%

Артикул

Название

Примечание

Количество

1

20Y-43-41143

Armrest,L.H.

2

20Y-43-41173

Bracket,L.H.

3

01252-80820

Bolt

4

01643-70823

Washer

5

20Y-43-41162

Pin

6

01435-40816

Bolt

7

20Y-43-41152

Spring

8

437-40-26240

Washer

9

01245-00620

Screw

10

01580-40605

Nut

11

20Y-43-41181

Cap

12

01023-20512

Screw

13

20Y-43-41191

Cover

14

01370-40510

Screw

15

20Y-43-41591

Cover

16

01023-20512

Screw

17

20Y-43-41281

Rubber

18

20Y-43-41461

Plate

19

01370-40610

Screw

Выбрано товаров: 19