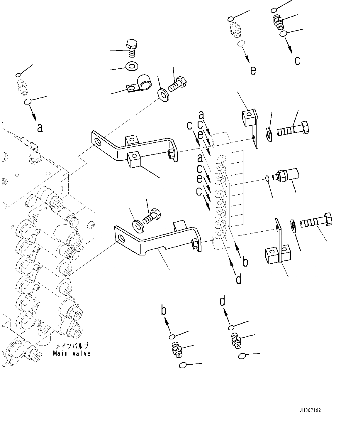
Запчасти Komatsu PC220-8M0 БЛОК ПЕРЕКЛЮЧЕНИЯ ДАВЛЕНИЯ, КОРПУС (№-) БЛОК ПЕРЕКЛЮЧЕНИЯ ДАВЛЕНИЯ

Схема запчастей Komatsu PC220-8M0 - БЛОК ПЕРЕКЛЮЧЕНИЯ ДАВЛЕНИЯ, КОРПУС (№-) БЛОК ПЕРЕКЛЮЧЕНИЯ ДАВЛЕНИЯ
2
8
1
11
7
6
15
16
16
15
21
21
22
22
24
25
23
20
17
19
5
4
3
9
12
14
13
18
10
FIT
1:1
100%

Артикул

Название

Примечание

Количество

1

02896-11008

O-ring

2

07002-11423

O-ring

3

11Y-62-12520

Union

4

02896-11009

O-ring

5

07002-11423

O-ring

6

11Y-62-12130

Nipple

7

02896-11008

O-ring

8

07002-11423

O-ring

9

7861-93-1840

Sensor

10

07000-12011

O-ring

11

02896-11009

O-ring

12

11Y-62-12130

Nipple

13

07002-11423

O-ring

14

02896-11008

O-ring

15

01010-81265

Bolt

16

01643-31232

Washer

17

20Y-62-51371

Bracket

18

20Y-62-51411

Bracket

19

20Y-62-51392

Bracket

20

20Y-62-51352

Bracket

21

01010-81635

Bolt

22

01643-31645

Washer

23

04434-52112

Clip

24

01010-81225

Bolt

25

01643-31232

Washer

Выбрано товаров: 25