Качественные детали и логистика
Оригинальные и аналоговые запчасти с доставкой по России, Казахстану и Беларуси
©2022 PartSell ООО "Система" ИНН 2463123282 ОГРН 1212400004838
Центральный офис: г. Красноярск, Академика Киренского, д.87, пом.4
Телефон: 8 (800) 777-65-74 Email: zakaz@partsell.ru
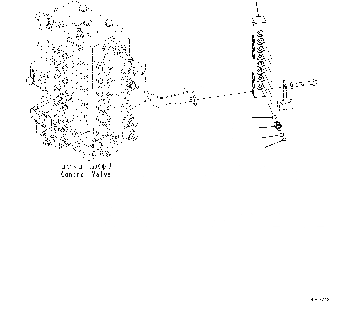
БЛОК ПЕРЕКЛЮЧЕНИЯ ДАВЛЕНИЯ, БЛОК (№-)
№
Артикул
Название
Примечание
Количество
1
2A5-62-12771
Block
2
20Y-62-16630
Nipple
3
201-60-11390
O-ring
4
20Y-62-19560
5
07002-11423
Выбрано товаров: 0