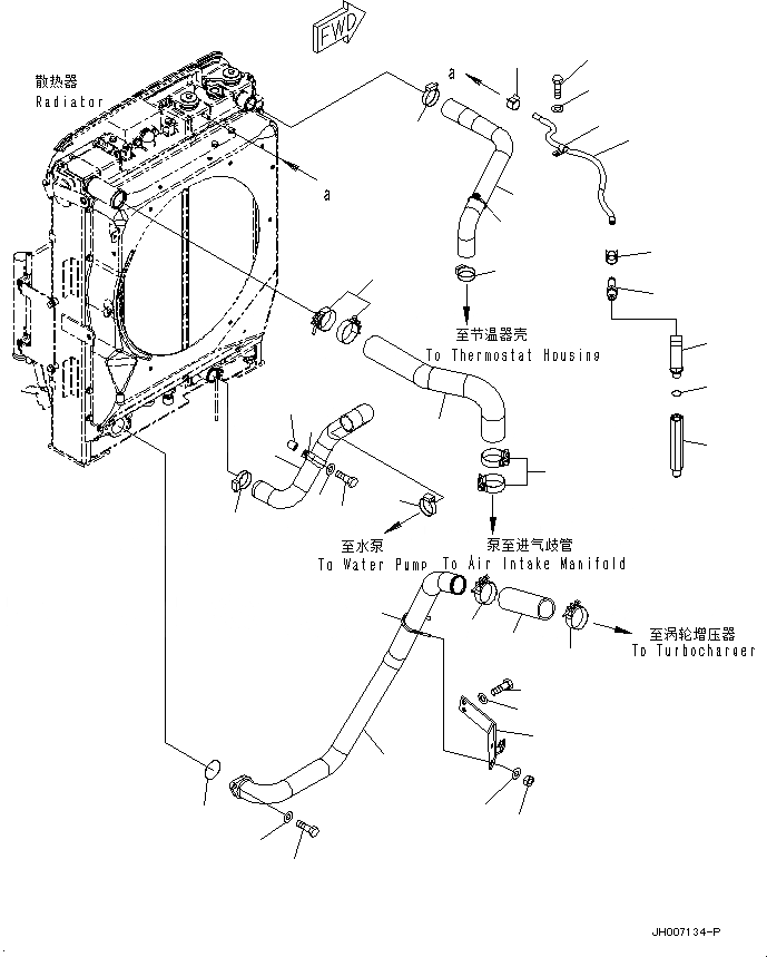
Запчасти Komatsu PC220-8M0 СИСТЕМА ОХЛАЖДЕНИЯ (ПОСЛЕОХЛАДИТЕЛЬ ТРУБЫ) C [СИСТЕМА ОХЛАЖДЕНИЯ]

Схема запчастей Komatsu PC220-8M0 - СИСТЕМА ОХЛАЖДЕНИЯ (ПОСЛЕОХЛАДИТЕЛЬ ТРУБЫ) C [СИСТЕМА ОХЛАЖДЕНИЯ]
2
2
3
4
5
6
7
8
9
11
12
15
17
16
16
18
19
20
21
22
27
28
29
30
32
1
10
18
4
23
24
25
26
31
31
13
14
FIT
1:1
100%

Артикул

Название

Примечание

Количество

1

20Y-03-46310

HOSE

2

21T-62-69711

CLAMP, HOSE

3

20Y-03-41181

HOSE

4

21T-62-69711

CLAMP, HOSE

5

206-03-21621

TUBE

6

07000-E2065

O-RING

7

01010-81035

BOLT

8

01643-31032

WASHER

9

20Y-03-46360

BRACKET

10

01010-81230

BOLT

11

01643-31232

WASHER

12

07283-37060

CLIP, PIPE

13

01643-31032

WASHER

14

01597-01009

NUT

15

20Y-03-41141

HOSE

16

07289-00055

CLAMP

17

206-03-24510

HOSE

18

07289-00055

CLAMP

19

208-62-38370

CLIP

20

01010-81035

BOLT

21

01643-31032

WASHER

22

201-03-29160

SPACER

23

205-03-31331

NIPPLE

24

205-03-31341

ELBOW

25

07002-11423

O-RING

26

22U-03-31731

NIPPLE

27

206-03-24541

HOSE ASSEMBLY

28

04434-51610

CLIP

29

01010-81025

BOLT

30

01643-31032

WASHER

31

11Y-09-11140

CLIP

32

134-03-61410

BAND

Выбрано товаров: 32