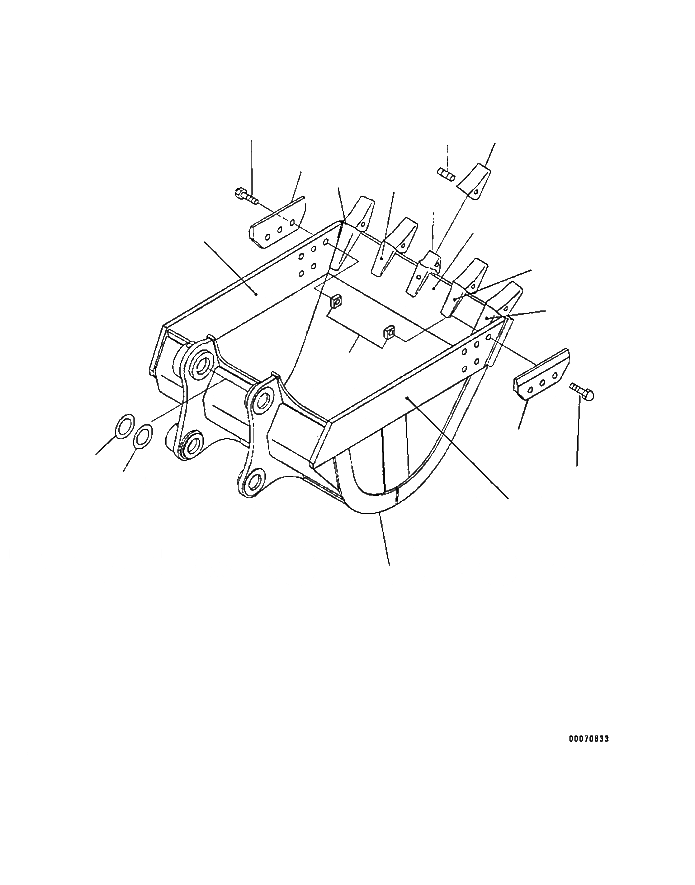
Запчасти Komatsu PC220-8M0 КОВШ, .M (ГОРИЗОНТАЛЬН. ПАЛЕЦ) (ECONOMIC КОВШ) (С .M РУКОЯТЬ) (С УДЛИНН. ROCK TOOTH)(PC-8M) T [РАБОЧЕЕ ОБОРУДОВАНИЕ]

Схема запчастей Komatsu PC220-8M0 - КОВШ, .M (ГОРИЗОНТАЛЬН. ПАЛЕЦ) (ECONOMIC КОВШ) (С .M РУКОЯТЬ) (С УДЛИНН. ROCK TOOTH)(PC-8M) T [РАБОЧЕЕ ОБОРУДОВАНИЕ]
10
6
5
8
7
2
9
6
5
9
10
5
11
1
13
12
4
3
FIT
1:1
100%

Артикул

Название

Примечание

Количество

1

206-934-D412

BUCKET

|$2

206-934-D411

BUCKET

2

206-934-D4T0

PLATE (WELDED)

3

206-934-D470

PLATE. L.H. (WELDED)

4

206-934-D480

PLATE.R.H. (WELDED)

5

207-934-DH10

ADAPTER (WELDED)

6

207-934-DH20

ADAPTER (WELDED)

7

207-70-D1420

TOOTH (LONG ROCK)

8

20Y-70-D1400

PIN

9

20Y-934-2150

SHROUD

10

209-32-11234

BOLT

11

195-32-11222

NUT

12

20Y-70-11340

SPACER, 0.8MM

13

205-70-51530

SPACER, 1.5MM

Выбрано товаров: 14