Запчасти Komatsu PC220-8M0 КОВШ, .M (ГОРИЗОНТАЛЬН. ПАЛЕЦ) (ДЛЯ ROCK) (PC-8M) T [РАБОЧЕЕ ОБОРУДОВАНИЕ]

Схема запчастей Komatsu PC220-8M0 - КОВШ, .M (ГОРИЗОНТАЛЬН. ПАЛЕЦ) (ДЛЯ ROCK) (PC-8M) T [РАБОЧЕЕ ОБОРУДОВАНИЕ]
6
9
8
5
2
7
8
4
3
1
12
11
10
9
FIT
1:1
100%

Артикул

Название

Примечание

Количество

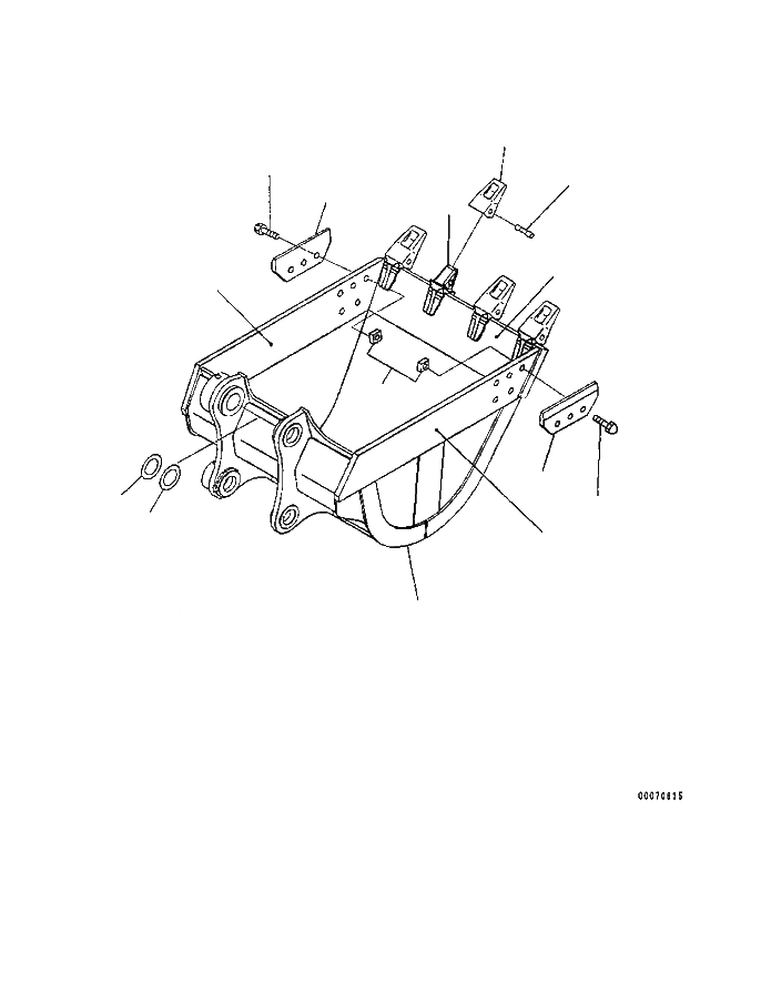
1

206-934-D381

BUCKET

2

206-934-7220

PLATE (WELDED)

3

206-934-D330

PLATE (WELDED)

4

206-934-D340

PLATE (WELDED)

5

206-934-D640

ADAPTER (WELDED)

6

207-70-D1420

TOOTH (LONG ROCK)

7

20Y-70-D1400

PIN

8

20Y-934-2150

SHROUD

9

209-32-11234

BOLT

10

195-32-11222

NUT

11

20Y-70-11340

SPACER, 0.8MM

12

205-70-51530

SPACER, 1.5MM

Выбрано товаров: 12