Запчасти Komatsu PC220-8M0 КОВШ, .M (ГОРИЗОНТАЛЬН. ПАЛЕЦ) (ДЛЯ NARROW ROCK) (С УДЛИНН. ROCK TOOTH) (PCLC-8M) T [РАБОЧЕЕ ОБОРУДОВАНИЕ]

Схема запчастей Komatsu PC220-8M0 - КОВШ, .M (ГОРИЗОНТАЛЬН. ПАЛЕЦ) (ДЛЯ NARROW ROCK) (С УДЛИНН. ROCK TOOTH) (PCLC-8M) T [РАБОЧЕЕ ОБОРУДОВАНИЕ]
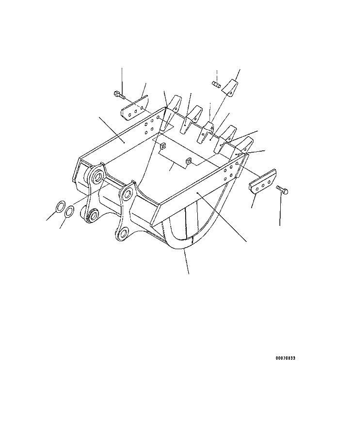
10
6
5
8
7
2
9
6
5
4
9
5
11
10
1
13
12
3
FIT
1:1
100%

Артикул

Название

Примечание

Количество

1

206-934-D611

BUCKET

2

206-934-D6H0

PLATE (WELDED)

3

206-934-D6B0

PLATE. L.H. (WELDED)

4

206-934-D6A0

PLATE. R.H. (WELDED)

5

207-934-DH10

ADAPTER (WELDED)

6

207-934-DH20

ADAPTER (WELDED)

7

207-70-D1420

TOOTH (LONG ROCK)

8

20Y-70-D1400

PIN

9

20Y-934-2150

SHROUD

10

209-32-11234

BOLT

11

195-32-11222

NUT

12

20Y-70-11340

SPACER, 0.8MM

13

205-70-51530

SPACER, 1.5MM

Выбрано товаров: 13