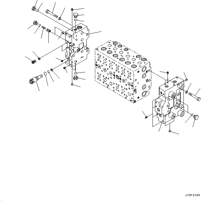
Запчасти Komatsu PC220-8M0 ОСНОВН. УПРАВЛЯЮЩ. КЛАПАН (ВНУТР. ЧАСТИ) (7/7) H [ГИДРАВЛИКА]

Схема запчастей Komatsu PC220-8M0 - ОСНОВН. УПРАВЛЯЮЩ. КЛАПАН (ВНУТР. ЧАСТИ) (7/7) H [ГИДРАВЛИКА]
1
2
3
4
5
6
7
8
9
10
11
12
13
15
14
16
17
18
19
20
21
22
6
5
7
2
6
7
21
2
2
5
5
FIT
1:1
100%

Артикул

Название

Примечание

Количество

-

723-46-29202

VALVE, CONTROL

-

723-46-00630

COVER ASSEMBLY

1

COVER

2

PLUG

3

PLUG

-

723-46-00980

COVER ASSEMBLY

4

COVER

5

PLUG

6

708-8E-16250

PLUG

7

07002-11823

O-RING

8

708-8H-11530

PLUG

9

07002-11423

O-RING

10

723-46-17600

PLUG ASSEMBLY

11

07002-11423

O-RING

12

07000-11007

O-RING

13

07001-01007

RING, BACK-UP

14

723-40-82220

FILTER

15

723-46-17550

PLUG

16

723-46-15190

VALVE

17

723-46-14140

SPRING

18

708-8E-16160

PLUG

19

07002-11023

O-RING

20

01010-61490

BOLT

21

01643-31445

WASHER

22

01010-61490

BOLT

Выбрано товаров: 25