Качественные детали и логистика
Оригинальные и аналоговые запчасти с доставкой по России, Казахстану и Беларуси
©2022 PartSell ООО "Система" ИНН 2463123282 ОГРН 1212400004838
Центральный офис: г. Красноярск, Академика Киренского, д.87, пом.4
Телефон: 8 (800) 777-65-74 Email: zakaz@partsell.ru
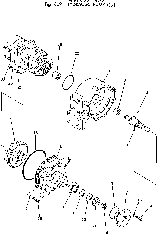
ГИДР. НАСОС. (/)
№
Артикул
Название
Примечание
Количество
|$0
705-80-10000
PUMP ASS'Y,(IPL145-SAL020+8)
|$1
705-80-11000
PUMP ASS'Y
|$2
705-80-11510
HOUSING ASS'Y
1
705-80-11520
HOUSING
2
07426-71061
BEARING,NEEDLE
|$5
705-80-11110
BRACKET ASS'Y
3
705-80-11120
BRACKET
4
705-80-11140
IMPELLER
5
705-80-11150
SHAFT
6
04000-00718
KEY
7
705-80-11160
PLATE
8
705-17-02810
SEAL,OIL
9
07000-02065
O-RING
10
490-22-12650
BEARING,BALL
11
705-80-11170
WASHER
12
01530-03010
NUT
13
01658-03018
14
01252-30625
BOLT
15
01602-20619
WASHER,SPRING
16
01252-31030
17
01602-21030
18
07000-05170
19
705-80-11540
COUPLING ASS'Y
20
01010-51030
21
01643-31032
22
07000-02085
23
705-51-10020
TANDEM PUMP ASS'Y
Выбрано товаров: 0