Запчасти Komatsu PC220LC-2 ЦИЛИНДР КОВША (ДЛЯ FEET УДЛИНН. РУКОЯТЬ И СТРЕЛА) ОПЦИОННЫЕ КОМПОНЕНТЫ (/)

Схема запчастей Komatsu PC220LC-2 - ЦИЛИНДР КОВША (ДЛЯ FEET УДЛИНН. РУКОЯТЬ И СТРЕЛА) ОПЦИОННЫЕ КОМПОНЕНТЫ (/)
FIT
1:1
100%

Артикул

Название

Примечание

Количество

|$0

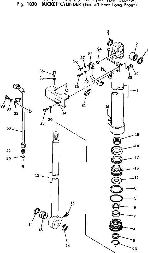
203-63-72300

CYLINDER ASS'Y

1

203-63-72340

CYLINDER

2

202-63-26541

BUSHING

3

07145-00060

SEAL

4

707-29-12491

HEAD

5

07000-12125

O-RING

6

111-63-81230

RING

7

07177-07030

BUSHING

8

144-63-95170

SEAL

9

707-51-70211

PACKING

10

07179-00093

RING

11

707-41-10110

RETAINER

12

203-63-72220

ROD

13

202-63-72440

BUSHING

14

203-70-33210

SEAL

15

07020-00900

FITTING

16

707-36-12290

PISTON

17

707-44-12080

RING

18

07155-01230

RING

19

07165-15252

NUT

20

07002-12434

O-RING

21

07230-10628

UNION

22

203-63-72360

TUBE

23

203-63-76271

TUBE

24

07000-13030

O-RING

25

01010-50850

BOLT

26

01010-50835

BOLT

27

01602-20825

WASHER

28

07282-02793

CLAMP

29

01010-51025

BOLT

30

01602-21030

WASHER

31

07283-22738

CLIP

32

01599-01011

NUT

33

01643-31032

WASHER

34

203-63-76381

GUARD

35

01010-51025

BOLT

36

01602-21030

WASHER

Выбрано товаров: 0