Запчасти Komatsu PC220LC-2 PКАНАТL РЫЧАГ УПРАВЛ-Я И МЕХАНИЗМ ХОД И КОНЕЧНАЯ ПЕРЕДАЧА

Схема запчастей Komatsu PC220LC-2 - PКАНАТL РЫЧАГ УПРАВЛ-Я И МЕХАНИЗМ ХОД И КОНЕЧНАЯ ПЕРЕДАЧА
FIT
1:1
100%

Артикул

Название

Примечание

Количество

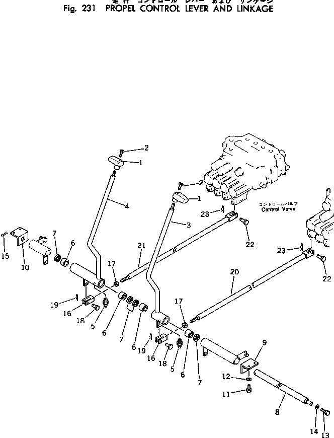
1

205-43-62530

KNOB

2

207-09-11130

SCREW

2

01225-40625

SCREW

3

205-43-63181

LEVER,L.H.

4

205-43-63191

LEVER,R.H.

5

07020-00000

FITTING,GREASE

6

06120-03020

BEARING,BEARING

7

06122-03004

SEAL

8

205-43-63250

SHAFT

9

205-43-63262

BRACKET

10

205-43-63272

BRACKET

11

01010-51025

BOLT

12

01643-31032

WASHER

13

01010-50816

BOLT

14

01643-30823

WASHER

15

04050-13040

PIN,COTTER

16

04210-21040

YOKE

17

01582-11008

NUT

18

04205-11028

PIN

19

04052-01038

PIN,SNAP

20

205-43-63151

ROD

21

205-43-63130

ROD

22

04205-10628

PIN

23

04052-00633

PIN,SNAP

Выбрано товаров: 24