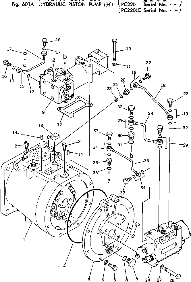
Запчасти Komatsu PC220LC-2 ГИДРАВЛ ПОРШЕНЬ НАСОС (/)(№.-) УПРАВЛ-Е РАБОЧИМ ОБОРУДОВАНИЕМ

Схема запчастей Komatsu PC220LC-2 - ГИДРАВЛ ПОРШЕНЬ НАСОС (/)(№.-) УПРАВЛ-Е РАБОЧИМ ОБОРУДОВАНИЕМ
FIT
1:1
100%

Артикул

Название

Примечание

Количество

|$0

706-46-21001

HYDRAULIC PUMP ASS'Y

1

706-46-42001

PUMP SUB ASS'Y

2

04530-11018

BOLT,EYE

3

706-46-40160

COVER

4

07000-05280

O-RING

5

01010-51035

BOLT

6

01602-21030

WASHER,SPRING

7

07040-12414

PLUG

8

07002-02434

O-RING

9

706-46-56701

SERVO CYLINDER A.

10

01011-51010

BOLT

11

01602-21030

WASHER,SPRING

12

706-46-40910

GASKET

13

706-46-40190

SLIDER

14

04020-00616

PIN,DOWEL

15

706-46-53924

TUBE

16

6631-51-9580

BOLT,JOINT

17

07000-12012

O-RING

18

706-46-51750

TUBE

19

07000-12012

O-RING

20

706-46-53260

PLUG

21

07002-11423

O-RING

22

706-46-53180

BOLT,JOINT

23

PLUG

24

706-46-52001

TCC VALVE ASS'Y

25

07000-02018

O-RING

26

01010-51090

BOLT

27

01602-21030

WASHER,SPRING

28

706-46-56360

TUBE

29

07000-02018

O-RING

30

706-46-56270

PLUG

31

07002-02034

O-RING

32

706-46-56290

BOLT

33

706-46-53950

TUBE

34

07000-12012

O-RING

35

706-46-53260

PLUG

36

07002-11423

O-RING

37

706-46-53180

BOLT,JOINT

Выбрано товаров: 38