Запчасти Komatsu PC220LC-3 СЕРВОКЛАПАН¤ ЗАДН. (/) (С -STAGE SELECTOR MODE OLSS) УПРАВЛ-Е РАБОЧИМ ОБОРУДОВАНИЕМ

Схема запчастей Komatsu PC220LC-3 - СЕРВОКЛАПАН¤ ЗАДН. (/) (С -STAGE SELECTOR MODE OLSS) УПРАВЛ-Е РАБОЧИМ ОБОРУДОВАНИЕМ
FIT
1:1
100%

Артикул

Название

Примечание

Количество

|1

708-25-01054

PUMP ASS'Y

|1

708-25-01053

PUMP ASS'Y

|1

708-25-01052

PUMP ASS'Y

|1

708-25-01051

PUMP ASS'Y

|1

708-25-01050

PUMP ASS'Y

|1

708-25-10101

PUMP ASS'Y

|1

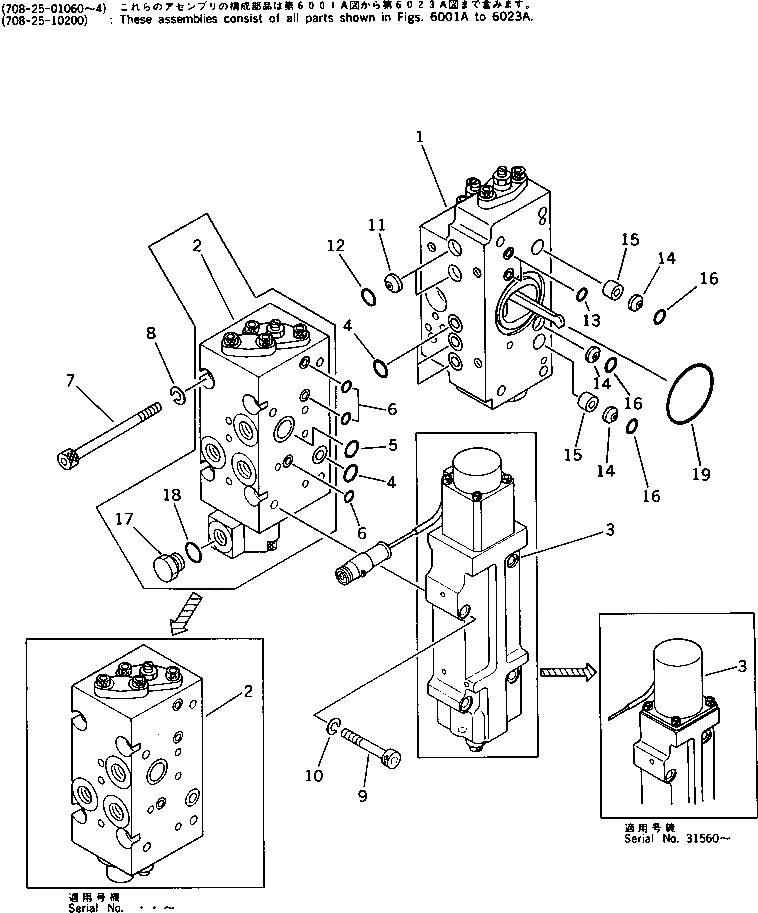
708-25-16101

SERVO VALVE ASS'Y,REAR

1

708-25-16200

VALVE ASS'Y

2

708-25-17100

VALVE ASS'Y

3

708-25-18100

VALVE ASS'Y

4

07000-02011

O-RING

5

07000-02018

O-RING

6

07000-11009

O-RING

7

708-25-19160

BOLT

8

01602-20825

WASHER,SPRING

9

01252-30850

BOLT

10

01602-20825

WASHER,SPRING

11

720-68-11920

FILTER

12

07000-12010

O-RING

13

07000-11009

O-RING

14

720-68-11920

FILTER

15

708-25-19150

ORIFICE

16

07000-12010

O-RING

17

07040-11409

PLUG

18

07002-01423

O-RING

19

07000-03048

O-RING

Выбрано товаров: 26