Запчасти Komatsu PC220LC-3 ЭЛЕКТРИКА (ЭЛЕКТРОПРОВОДКА) (БЕЗ АВТОМ. ЗАМЕДЛЕНИЕ ОБОРОТОВ¤ ПОВОРОТН. МЕХАНИЧ. ТОРМОЗ.) (С -STAGE)(№-) КОМПОНЕНТЫ ДВИГАТЕЛЯ И ЭЛЕКТРИКА

Схема запчастей Komatsu PC220LC-3 - ЭЛЕКТРИКА (ЭЛЕКТРОПРОВОДКА) (БЕЗ АВТОМ. ЗАМЕДЛЕНИЕ ОБОРОТОВ¤ ПОВОРОТН.   МЕХАНИЧ. ТОРМОЗ.) (С -STAGE)(№-) КОМПОНЕНТЫ ДВИГАТЕЛЯ И ЭЛЕКТРИКА
FIT
1:1
100%

Артикул

Название

Примечание

Количество

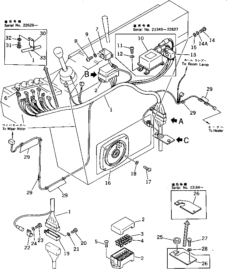
1

207-06-31193

WIRING HARNESS

1

207-06-31192

WIRING HARNESS

1

207-06-31191

WIRING HARNESS

2

205-06-71480

FUSE BOX

3

205-06-73180

FUSE, 15A

4

22W-06-13160

FUSE, 20A

5

01220-40616

SCREW

6

205-06-72290

WIRING HARNESS

7

207-06-31160

BUZZER

8

01220-40412

SCREW

9

01642-20405

WASHER

10

7861-72-3000

CONTROLLER ASS'Y

11

01220-40616

SCREW

12

01643-30623

WASHER

13

206-06-41130

RELAY,HORN

14

01220-40616

SCREW

14A

01602-20619

WASHER,SPRING

15

01643-30623

WASHER

16

20G-06-15120

SPEAKER

17

01220-40420

SCREW

18

01641-20405

WASHER

19

142-06-13530

CLIP

20

01010-51220

BOLT

21

01643-31232

WASHER

22

195-06-41830

CLIP

22

08036-02514

CLIP

23

01010-51220

BOLT

24

01643-31232

WASHER

25

205-06-72410

GROMMET

26

205-06-72211

COVER

27

01010-51025

BOLT

28

01643-31032

WASHER

29

205-54-72710

CLIP

30

205-06-72620

PLATE

31

01235-50408

SCREW

32

01641-20405

WASHER

33

08034-00414

BAND

Выбрано товаров: 37