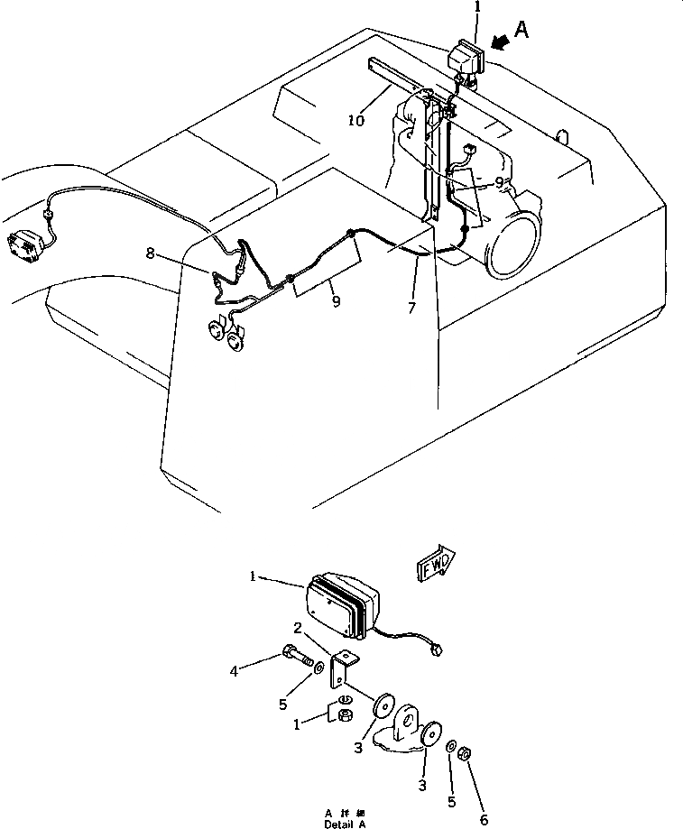
Запчасти Komatsu PC220LC-3 ЗАДН. ЛАМПА РАБОЧ. ОСВЕЩЕНИЯ ОПЦИОННЫЕ КОМПОНЕНТЫ

Схема запчастей Komatsu PC220LC-3 - ЗАДН. ЛАМПА РАБОЧ. ОСВЕЩЕНИЯ ОПЦИОННЫЕ КОМПОНЕНТЫ
FIT
1:1
100%

Артикул

Название

Примечание

Количество

1

22W-06-12381

LAMP ASS'Y

1

22W-06-12170

BULB

2

203-06-21290

PLATE

3

195-54-42680

PLATE

4

01010-51465

BOLT

5

01643-31445

WASHER

6

01580-11411

NUT

7

207-06-31130

WIRE

8

209-06-11850

WIRE

9

08034-00536

BAND

10

205-54-76610

FRAME

Выбрано товаров: 11