Запчасти Komatsu PC220LC-3 ПАНЕЛЬ ПРИБОРОВ (REGULATION OF SWEDEN)(№-) СПЕЦ. APPLICATION ЧАСТИ¤ МАРКИРОВКА¤ ИНСТРУМЕНТ И РЕМКОМПЛЕКТЫ

Схема запчастей Komatsu PC220LC-3 - ПАНЕЛЬ ПРИБОРОВ (REGULATION OF SWEDEN)(№-) СПЕЦ. APPLICATION ЧАСТИ¤ МАРКИРОВКА¤ ИНСТРУМЕНТ И РЕМКОМПЛЕКТЫ
FIT
1:1
100%

Артикул

Название

Примечание

Количество

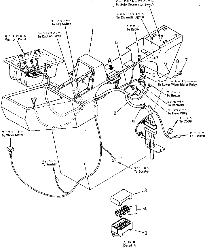
1

205-43-73292

BOX,R.H.

2

207-06-32252

WIRING HARNESS

2

207-06-32251

WIRING HARNESS

2

207-06-32250

WIRING HARNESS

3

205-06-71480

FUSE BOX

4

205-06-73180

FUSE, 15A

4

22W-06-13160

FUSE, 20A

5

207-06-32260

WIRING HARNESS

6

22W-06-13450

RELAY ASS'Y,WIPER MOTOR

7

01220-40612

SCREW

8

01643-30623

WASHER

9

08034-00519

BAND

Выбрано товаров: 12