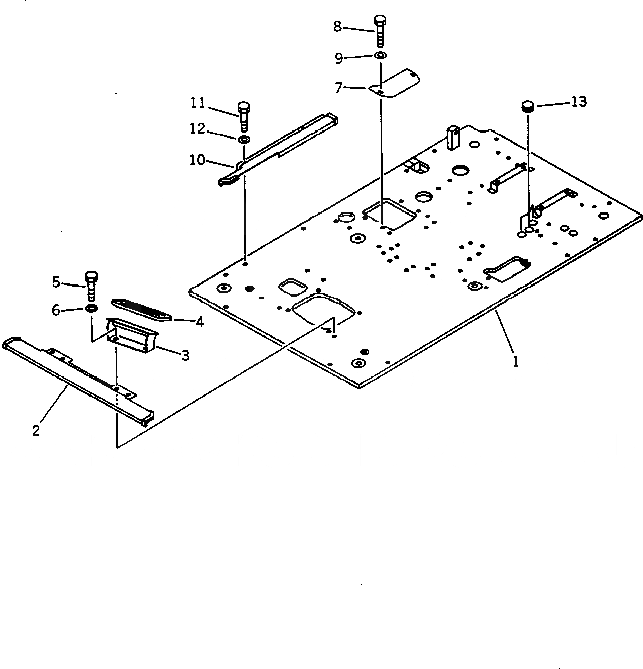
Запчасти Komatsu PC220LC-5 ОСНОВН. КОНСТРУКЦИЯ (ДЛЯ WRIST УПРАВЛ-Е) (С ДОПОЛН. ГИДРОЛИНИЕЙ)(№-) ЧАСТИ КОРПУСА

Схема запчастей Komatsu PC220LC-5 - ОСНОВН. КОНСТРУКЦИЯ (ДЛЯ WRIST УПРАВЛ-Е) (С ДОПОЛН. ГИДРОЛИНИЕЙ)(№-) ЧАСТИ КОРПУСА
FIT
1:1
100%

Артикул

Название

Примечание

Количество

1

20Y-970-3620

FRAME

2

20Y-970-2451

COVER

3

20Y-43-16421

REST,FOOT

4

20Y-43-16430

PAD

5

01010-51020

BOLT

6

01643-31032

WASHER

7

20Y-54-16561

PLATE

8

01010-51025

BOLT

9

01643-31032

WASHER

10

20Y-06-15510

COVER

11

01010-50816

BOLT

12

01643-30823

WASHER

13

20Y-977-1120

CAP,(WITHOUT COOLER)

Выбрано товаров: 13