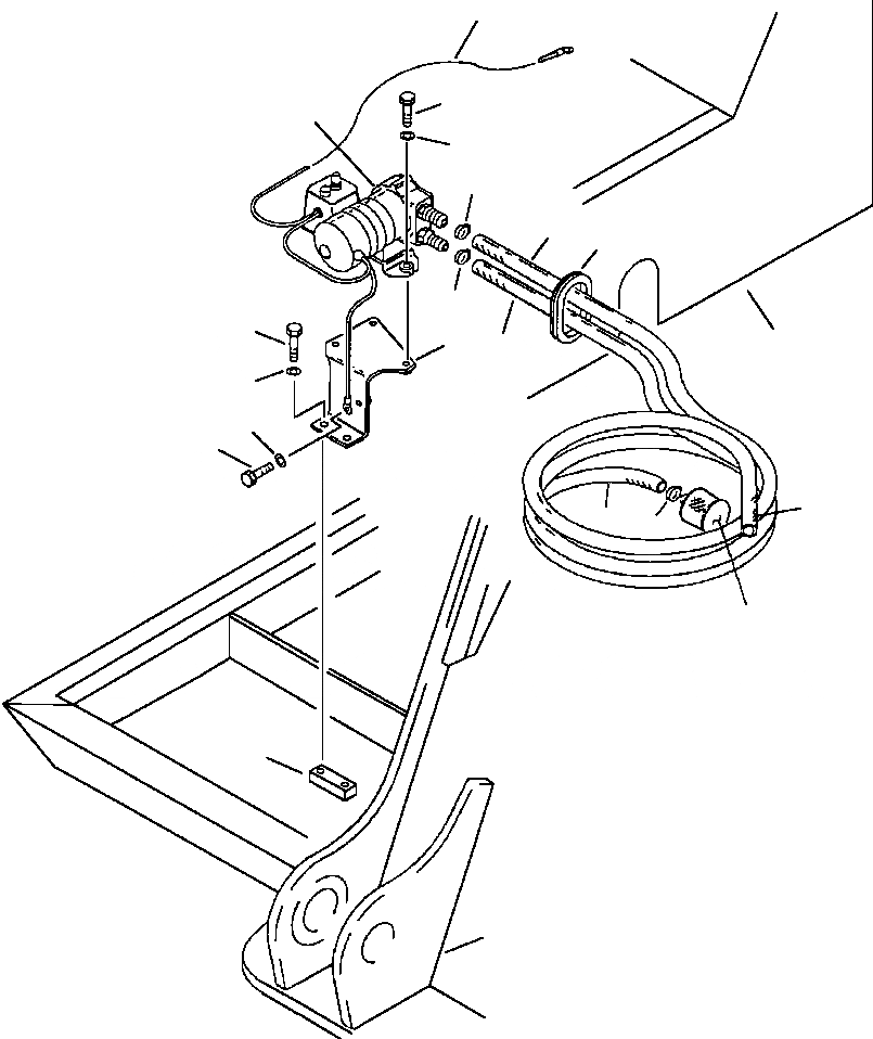
Запчасти Komatsu PC220LC-5 SELF-ТОПЛИВН.ING НАСОС КОМПОНЕНТЫ ДВИГАТЕЛЯ

Схема запчастей Komatsu PC220LC-5 - SELF-ТОПЛИВН.ING НАСОС КОМПОНЕНТЫ ДВИГАТЕЛЯ
16
3
1
4
13
11
10
13
6
17
2
12
7
9
8
11
12
15
14
5
18
FIT
1:1
100%

Артикул

Название

Примечание

Количество

1

20Y-04-11190

PUMP, FUEL SUPPLY

2

20Y-04-11180

BRACKET

3

01010-50830

BOLT

4

01643-30823

WASHER

5

01573-22308

SEAT

6

01010-51225

BOLT

7

01643-31232

WASHER

8

01010-50820

BOLT

9

01643-30823

WASHER

10

20Y-54-14650

GROMMET

11

07261-22022

HOSE, OUT

12

07261-22050

HOSE, INLET

13

07281-00359

CLAMP

14

207-04-31150

STRAINER

15

07281-00359

CLAMP

Выбрано товаров: 15