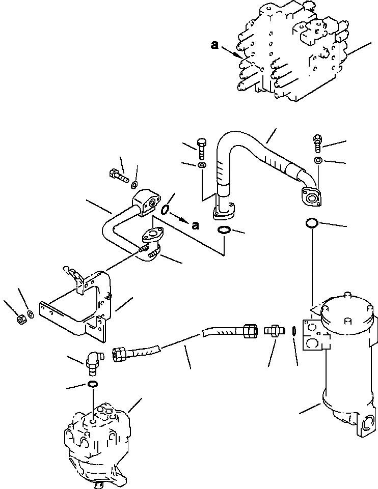
Запчасти Komatsu PC220LC-5 ВОЗВРАТ. ТРУБЫ УПРАВЛ-Е РАБОЧИМ ОБОРУДОВАНИЕМ

Схема запчастей Komatsu PC220LC-5 - ВОЗВРАТ. ТРУБЫ УПРАВЛ-Е РАБОЧИМ ОБОРУДОВАНИЕМ
17
10
12
12
8
9
13
13
7
6
11
11
14
16
15
18
2
5
4
3
1
19
20
FIT
1:1
100%

Артикул

Название

Примечание

Количество

1

07002-02434

O-RING

2

07235-10628

ELBOW

3

07102-20606

HOSE, SWING MOTOR TO MAIN FILTER

4

07230-20628

NIPPLE

5

07002-02434

O-RING

6

20Y-62-15510

TUBE

7

07000-03035

O-RING

8

01010-51085

BOLT

9

01643-31032

WASHER

10

20Y-62-15520

HOSE

11

07000-13048

O-RING

12

01010-51240

BOLT

13

01643-31232

WASHER

14

07283-24346

CLIP

15

01599-01011

NUT

16

01643-31032

WASHER

Выбрано товаров: 16