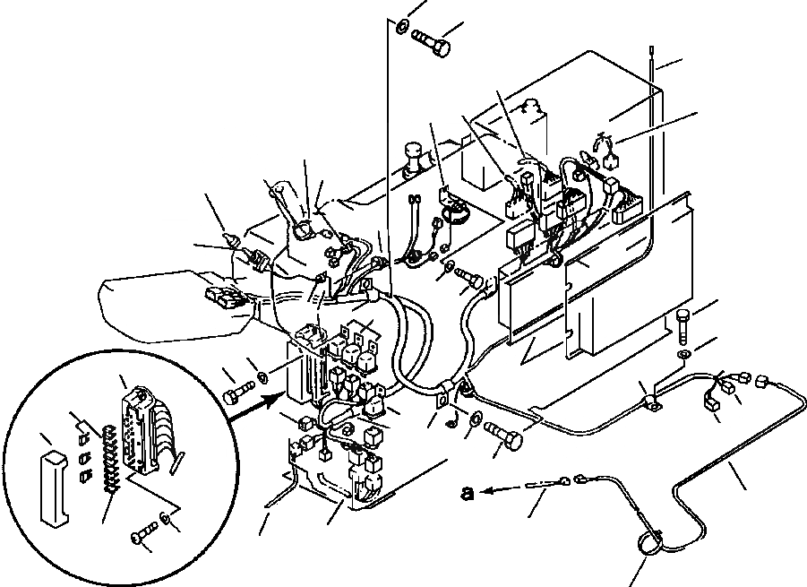
Запчасти Komatsu PC220LC-5 КАБИНА ЭЛЕКТРОПРОВОДКА ПРАВ. СТОЙКА КОМПОНЕНТЫ ДВИГАТЕЛЯ

Схема запчастей Komatsu PC220LC-5 - КАБИНА ЭЛЕКТРОПРОВОДКА ПРАВ. СТОЙКА КОМПОНЕНТЫ ДВИГАТЕЛЯ
18
17
31
30
29
9
33
23
28
15
14
2
5
11
26
10
15
16
6
27
8
7
1
25
32
3
6
38
37
19
20
22
21
24
36
4
34
13
35
12
23
1
FIT
1:1
100%

Артикул

Название

Примечание

Количество

1

206-06-51210

HARNESS, CIRCUIT PANEL WIRING

1A

195-Z11-2290

COVER

|$2

20Y-06-16280

BOX

|$3

283-06-16160

TERMINAL

|$4

20Y-06-16290

TERMINAL

2

22W-06-13590

DIODE

3

205-06-73180

FUSE, 15 AMP

4

283-06-16190

FUSE, 10 AMP

5

23S-06-14410

SWITCH, SWING LOCK

6

22W-06-13450

RELAY

7

01010-50612

BOLT

8

01643-30623

WASHER

9

203-06-56230

BUZZER, EMERGENCY STOP ITEM

10

01010-50610

BOLT

11

01643-30623

WASHER

12

01220-40616

SCREW

13

01642-20608

WASHER

14

203-06-41680

CAP

15

08051-00801

CLIP

16

08036-03014

CLIP

17

01010-51220

BOLT

18

01643-31232

WASHER

19

08036-01814

CLIP

20

08036-02514

CLIP

21

01010-51220

BOLT

22

01643-31232

WASHER

23

08034-00823

BAND

24

20Y-06-16380

HARNESS, WIRING

25

08036-01214

CLIP

26

01010-51020

BOLT

27

01643-31032

WASHER

28

20Y-06-16620

PROTECTOR

Выбрано товаров: 32