Качественные детали и логистика
Оригинальные и аналоговые запчасти с доставкой по России, Казахстану и Беларуси
©2022 PartSell ООО "Система" ИНН 2463123282 ОГРН 1212400004838
Центральный офис: г. Красноярск, Академика Киренского, д.87, пом.4
Телефон: 8 (800) 777-65-74 Email: zakaz@partsell.ru
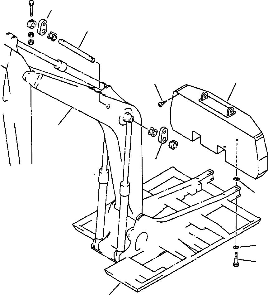
MACHINE ПОДЪЕМ КРЮК
№
Артикул
Название
Примечание
Количество
1
206-46-52170
WEIGHT, COUNTER
2
01370-00512
SCREW
3
175-09-11110
BOLT
4
01643-32780
WASHER
5
20Y-46-11410
PLATE
6
20Y-70-11450
PIN
7
20Y-98-11120
HOOK, MACHINE LIFTING
Выбрано товаров: 0