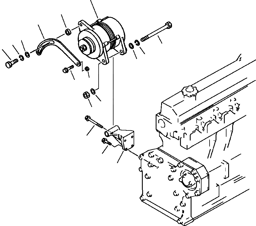
Запчасти Komatsu PC220LC-5 КРЕПЛЕНИЕ ГЕНЕРАТОРА BRUSH ТИП БЕЗ COVER ЭЛЕКТРИКА

Схема запчастей Komatsu PC220LC-5 - КРЕПЛЕНИЕ ГЕНЕРАТОРА BRUSH ТИП БЕЗ COVER ЭЛЕКТРИКА
1
15
9
14
13
12
5
6
8
11
10
8
7
4
3
2
FIT
1:1
100%

Артикул

Название

Примечание

Количество

2

6207-81-6510

BRACKET

3

01435-20825

BOLT

4

01435-20895

BOLT

5

6112-21-6580

BOLT

6

01602-01442

WASHER, SPRING

7

01580-01411

NUT

8

01641-21423

WASHER

9

6207-81-6421

PLATE, ADJUST

10

01435-20865

BOLT

11

6130-12-1961

SPACER

12

01050-31240

BOLT

13

01602-01236

WASHER, SPRING

14

01643-31232

WASHER

15

6127-11-5180

SPACER

Выбрано товаров: 14