Запчасти Komatsu PC220LC-5 КРЫШКАAND РАМА ЧАСТИ КОРПУСА

Схема запчастей Komatsu PC220LC-5 - КРЫШКАAND РАМА ЧАСТИ КОРПУСА
17
11
12
18
17
19
16
18
14
20
19
11
23
20
15
13
5
6
7
21
2
2
3
3
1
4
8
24
10
9
5
6
25
22
FIT
1:1
100%

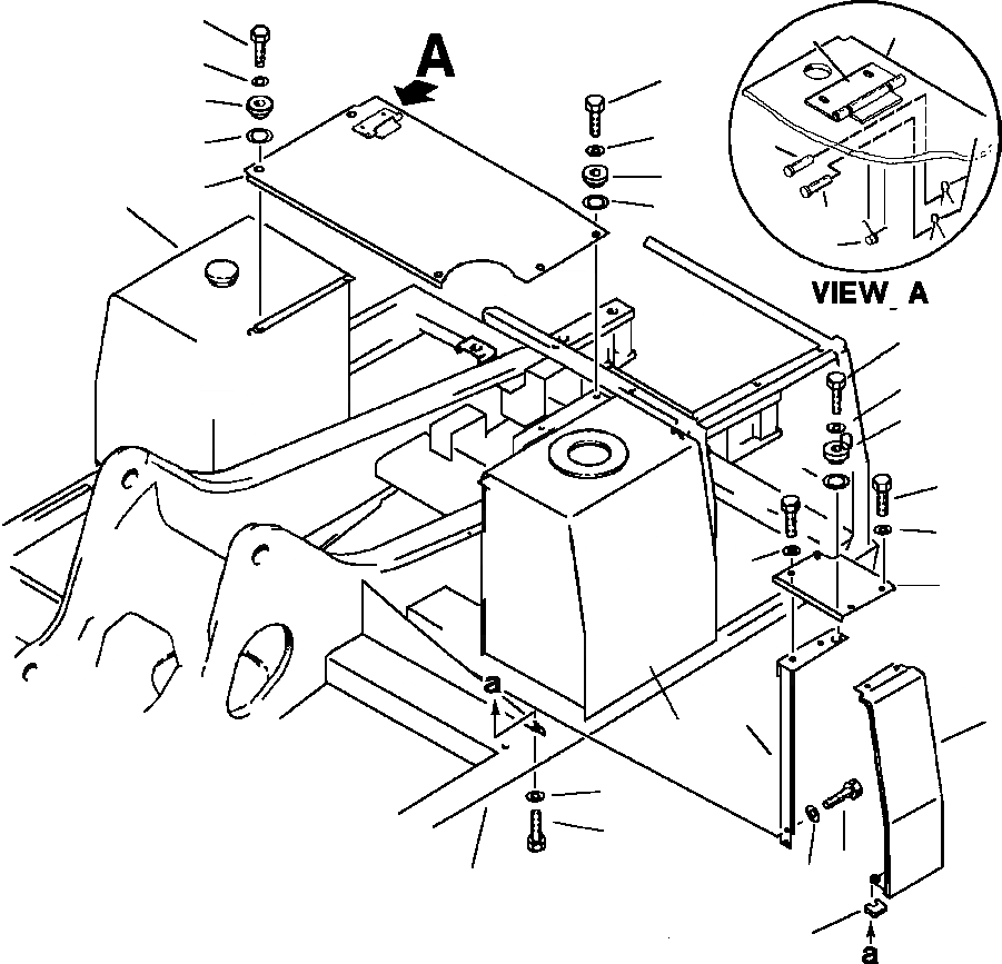
Артикул

Название

Примечание

Количество

1

20Y-54-12283

COVER

2

01010-51230

BOLT

3

01643-31232

WASHER

4

20Y-54-12721

FRAME, SIDE COVER

5

01010-51230

BOLT

6

01643-31232

WASHER

7

20Y-54-12822

COLLAR

8

20Y-54-12335

COVER, L.H. SIDE

9

01010-51230

BOLT

10

01643-31232

WASHER

11

20Y-54-12195

COVER, HYDRAULIC CONTROL VALVE

12

203-54-32230

HINGE

13

09463-00006

SPRING

14

04205-10614

PIN

15

04205-10618

PIN

16

04050-11610

PIN, COTTER

17

01010-51230

BOLT

18

01643-31232

WASHER

19

20Y-54-12822

COLLAR

20

20Y-54-16950

PLATE

21

20Y-54-12990

PLATE

22

20Y-54-18190

PLATE

Выбрано товаров: 22