Запчасти Komatsu PC220LC-5C АККУМУЛЯТОР КОМПОНЕНТЫ ДВИГАТЕЛЯ И ЭЛЕКТРИКА

Схема запчастей Komatsu PC220LC-5C - АККУМУЛЯТОР КОМПОНЕНТЫ ДВИГАТЕЛЯ И ЭЛЕКТРИКА
FIT
1:1
100%

Артикул

Название

Примечание

Количество

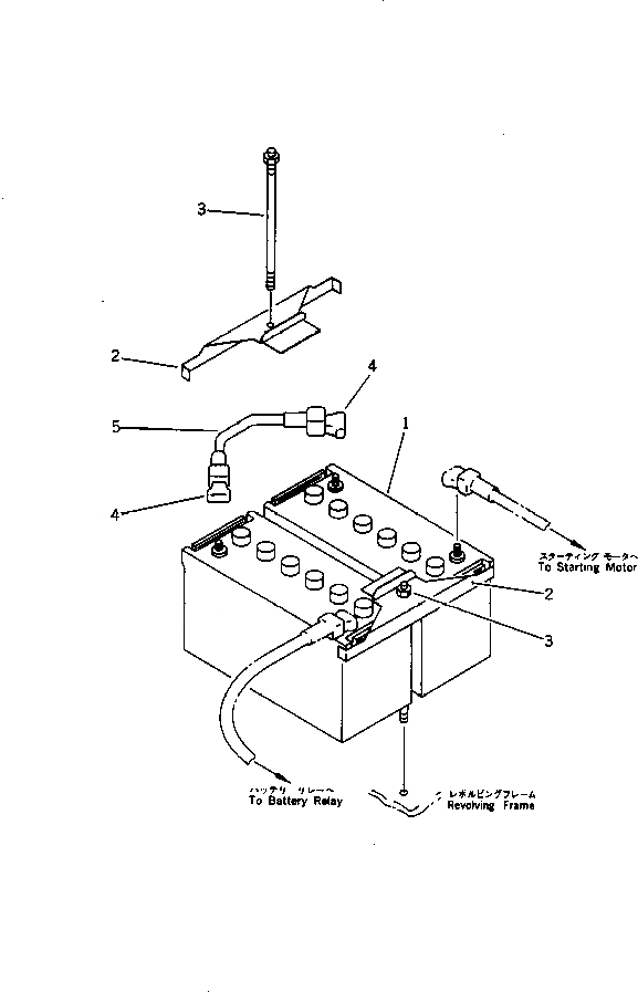
G-1

20Y-06-X4101

BATTERY GROUP

1

08000-32212

BATTERY, WET

2

205-06-71173

HOLDER

3

205-06-71180

BOLT

4

08038-22511

CAP

5

08028-43030

CABLE

Выбрано товаров: 6