Запчасти Komatsu PC220LC-5C МОТОР ПОВОРОТА (/) УПРАВЛ-Е РАБОЧИМ ОБОРУДОВАНИЕМ

Схема запчастей Komatsu PC220LC-5C - МОТОР ПОВОРОТА (/) УПРАВЛ-Е РАБОЧИМ ОБОРУДОВАНИЕМ
FIT
1:1
100%

Артикул

Название

Примечание

Количество

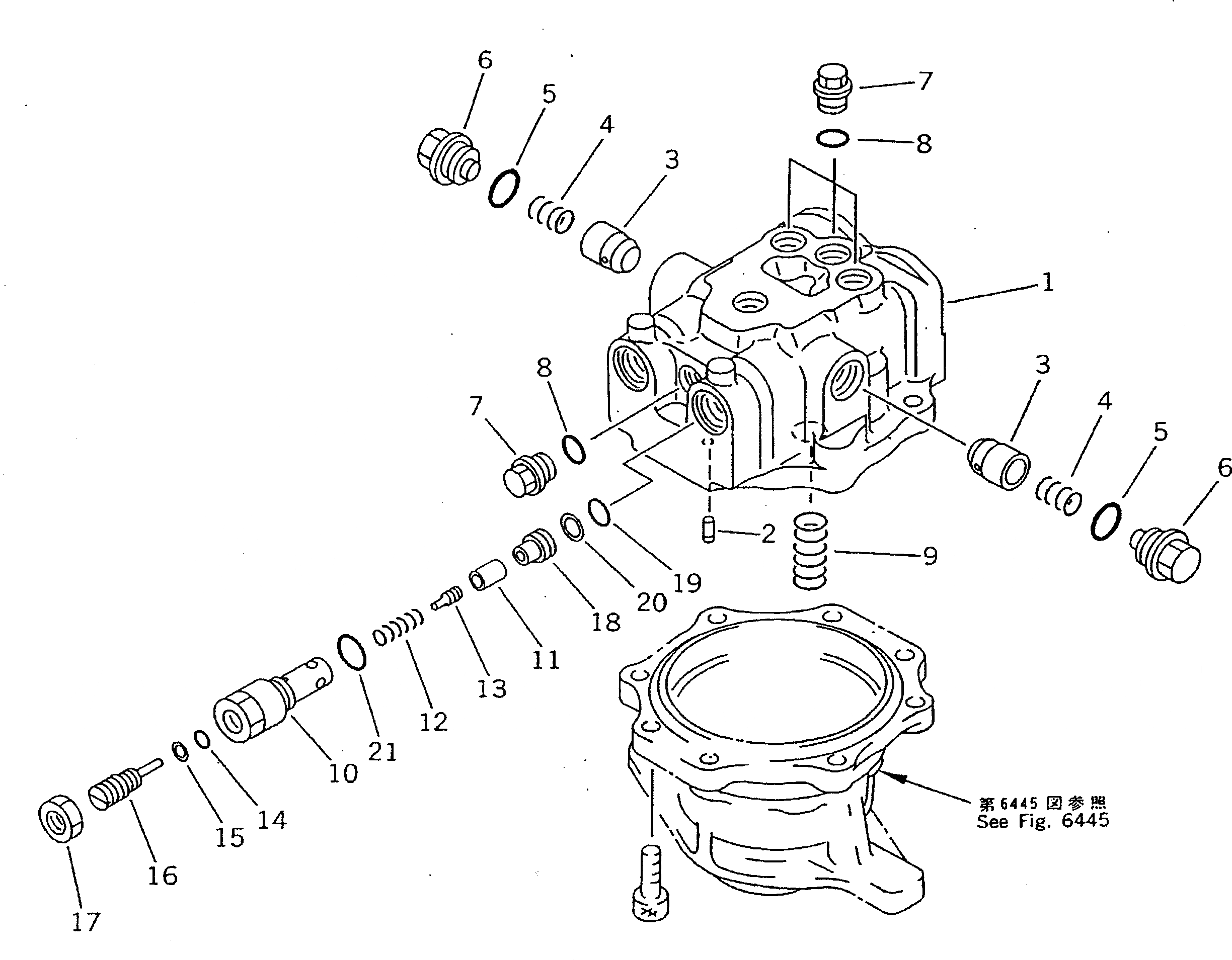
|$0

706-75-01101

MOTOR ASS'Y

|$1

706-75-01100

MOTOR ASS'Y

1

706-75-74860

HOUSING

2

706-75-42820

PIN

3

706-75-74540

VALVE

4

706-75-74550

SPRING

5

07002-13334

O-RING

6

706-75-74850

PLUG

7

706-77-72170

PLUG

8

07002-12434

O-RING

9

706-75-92170

SPRING

9

706-75-92160

SPRING

|$13

702-75-01200

VALVE ASS'Y

10

SLEEVE

11

VALVE

12

SPRING

13

PISTON

14

O-RING

15

RING,BACK-UP

16

SCREW

17

NUT

18

SEAT,VALVE

19

07000-22020

O-RING

20

07001-02020

RING,BACK-UP

21

07002-13034

O-RING

Выбрано товаров: 0