Запчасти Komatsu PC220LC-5C ПОВОРОТН. МИГАЮЩ. СИГНАЛ ЭЛЕКТРОПРОВОДКА (КАБИНА ) (ДЛЯ УДЛИНН. РЫЧАГ УПРАВЛ-Е) КОМПОНЕНТЫ ДВИГАТЕЛЯ И ЭЛЕКТРИКА

Схема запчастей Komatsu PC220LC-5C - ПОВОРОТН. МИГАЮЩ. СИГНАЛ ЭЛЕКТРОПРОВОДКА (КАБИНА ) (ДЛЯ УДЛИНН. РЫЧАГ УПРАВЛ-Е) КОМПОНЕНТЫ ДВИГАТЕЛЯ И ЭЛЕКТРИКА
FIT
1:1
100%

Артикул

Название

Примечание

Количество

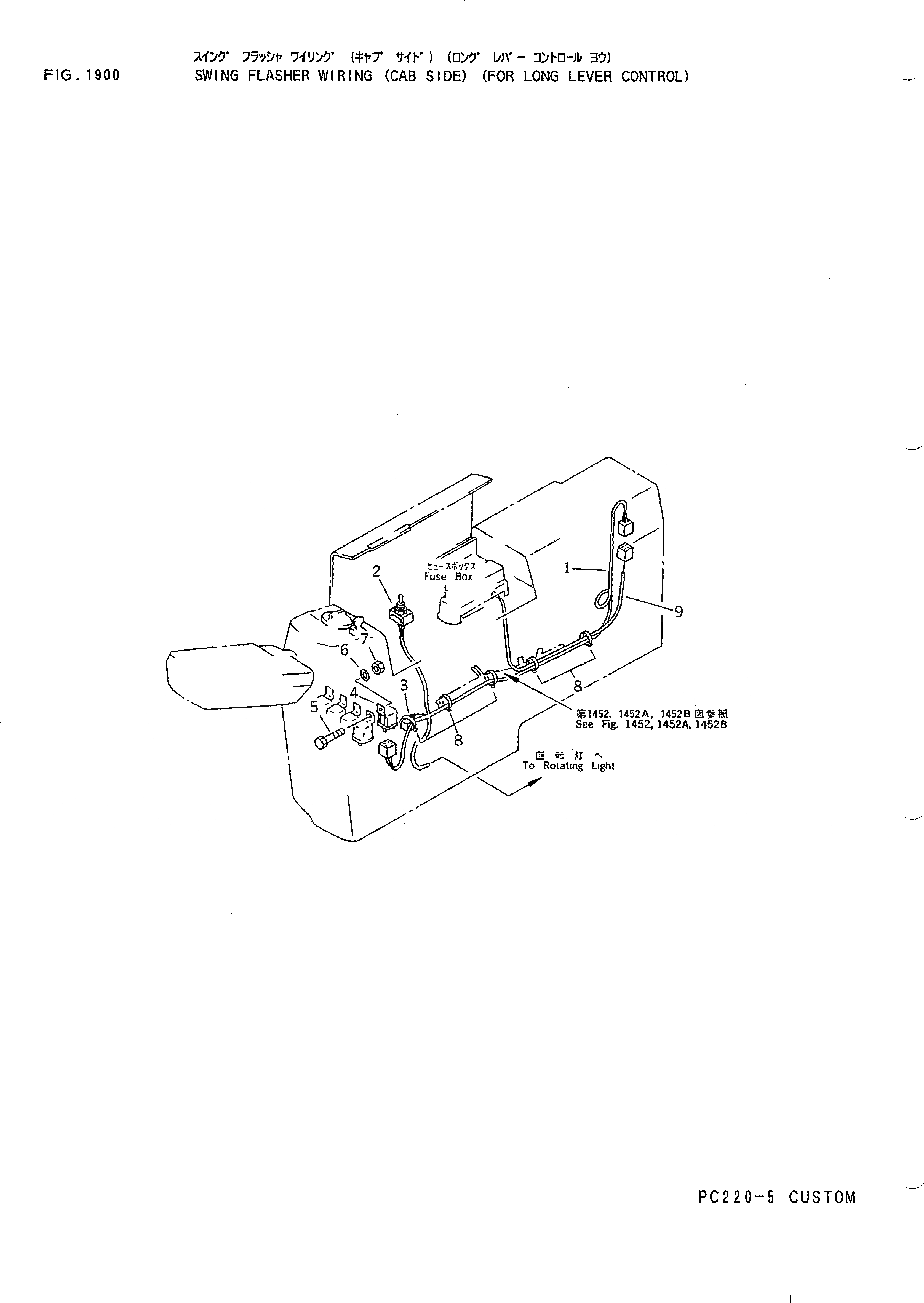
1

20Y-06-15570

WIRING HARNESS

2

203-06-41570

SWITCH

3

22W-06-13590

DIODE

4

22W-06-13450

RELAY ASS'Y

5

01010-50625

BOLT

6

01643-30623

WASHER

7

01580-10605

NUT

8

08034-00519

BAND

9

20Y-06-12270

WIRING HARNESS

Выбрано товаров: 9