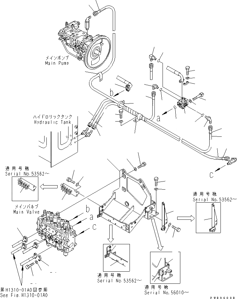
Запчасти Komatsu PC220LC-6 ОСНОВН. КЛАПАН (КОРПУС КЛАПАНА)(№8-) ГИДРАВЛИКА

Схема запчастей Komatsu PC220LC-6 - ОСНОВН. КЛАПАН (КОРПУС КЛАПАНА)(№8-) ГИДРАВЛИКА
1
1
1
2
3
4
5
6
6
7
8
9
9
10
11
12
13
14
15
16
16
17
18
19
20
21
22
23
24
25
25
26
27
28
28
29
29
30
30
31
31
32
32
33
34
35
36
37
FIT
1:1
100%

Артикул

Название

Примечание

Количество

1

20Y-62-27413

BRACKET

|1

20Y-62-27412

BRACKET

|1

20Y-62-27411

BRACKET

2

01010-81655

BOLT

3

01643-31645

WASHER

4

01010-81650

BOLT

5

01643-31645

WASHER

6

20Y-62-27192

BRACKET

|6

20Y-62-27191

BRACKET

7

01010-81230

BOLT

8

01643-31232

WASHER

9

20Y-62-21264

BRACKET

|9

20Y-62-21263

BRACKET

10

01010-81235

BOLT

11

01643-31232

WASHER

12

702-21-09147

VALVE ASS'Y

|12

702-21-09146

VALVE ASS'Y

|12

702-21-09145

VALVE ASS'Y

|12

702-21-09143

VALVE ASS'Y

13

21T-09-11460

O-RING

14

708-27-12560

BOLT

15

01643-51032

WASHER

16

07371-31049

FLANGE

17

07372-21035

BOLT

18

01643-51032

WASHER

19

21Y-62-17810

ELBOW

20

07002-12434

O-RING

21

07235-10210

ELBOW

22

07002-11423

O-RING

23

07235-10210

ELBOW

24

07002-11423

O-RING

25

07371-31049

FLANGE

26

07372-21035

BOLT

27

01643-51032

WASHER

28

203-62-52280

HOSE¤ 900MM

29

20Y-62-22881

HOSE

30

20Y-62-22820

BAND¤ BLUE

31

07096-00221

HOSE

32

20Y-62-22810

BAND

33

04434-52712

CLIP

34

01010-81225

BOLT

35

01643-31232

WASHER

36

08034-00519

BAND

37

04434-51512

CLIP

Выбрано товаров: 44