Запчасти Komatsu PC220LC-6L FIG NO. A-AE7 ТОПЛИВН. ФИЛЬТР. ДВИГАТЕЛЬ - SAD9L-

Схема запчастей Komatsu PC220LC-6L - FIG NO. A-AE7 ТОПЛИВН. ФИЛЬТР. ДВИГАТЕЛЬ - SAD9L-
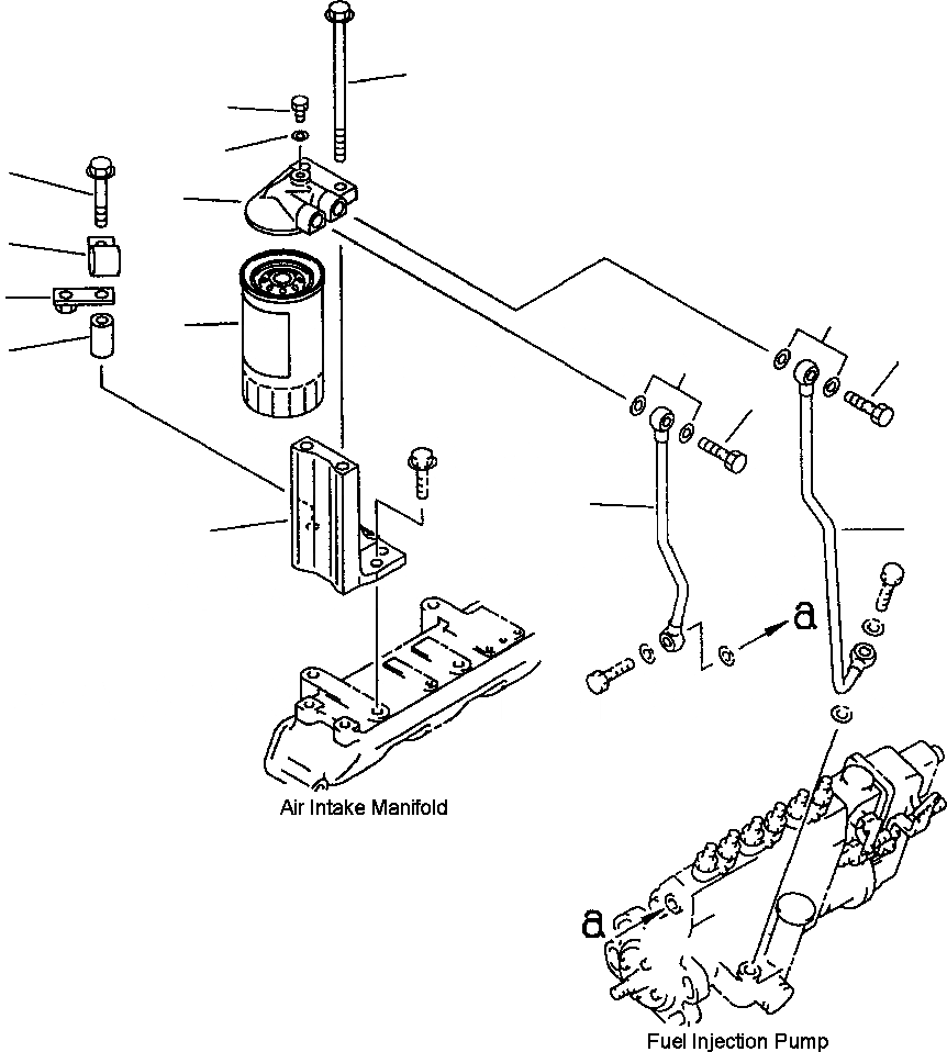
10
7
8
11
5
14
13
2
6
1
12
2
1
4
3
9
FIT
1:1
100%

Артикул

Название

Примечание

Количество

1

07206-11014

BOLT

2

07005-01412

GASKET

3

6209-71-5820

TUBE

4

6209-71-5810

TUBE

|$4

6204-71-6101

HEAD ASS'Y, FUEL FILTER

5

600-311-9640

HEAD, FUEL FILTER

6

600-311-8221

ELEMENT, FUEL FILTER

7

600-311-6720

PLUG

8

07005-00812

GASKET

9

6205-71-6711

BRACKET

10

01436-01080

BOLT

11

01435-21065

BOLT

12

22D-62-18450

SPACER

13

6212-85-2440

PLATE

14

08036-10814

CLIP

Выбрано товаров: 15