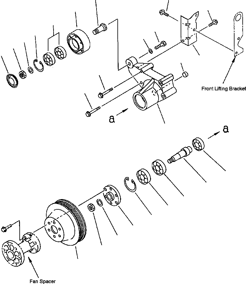
Запчасти Komatsu PC220LC-6L FIG NO. A-AA ПРИВОД ВЕНТИЛЯТОРА ДВИГАТЕЛЬ - SAD9L-

Схема запчастей Komatsu PC220LC-6L - FIG NO. A-AA ПРИВОД ВЕНТИЛЯТОРА ДВИГАТЕЛЬ - SAD9L-
23
12
22
11
13
18
14
19
17
16
15
10
21
25
24
1
5
2
4
3
6
9
8
7
20
FIT
1:1
100%

Артикул

Название

Примечание

Количество

|$0

6207-61-3300

DRIVE, FAN

1

6207-61-3310

CASE

2

6207-61-3320

SHAFT

3

06037-06305

BEARING

4

06030-06305

BEARING

5

06000-06205

BEARING

6

6134-61-1370

RING, RETAINING

7

01582-01613

NUT

8

01643-31645

WASHER

9

6207-61-3330

BOSS

10

07046-42216

PLUG, EXPANSION

|$11

6207-61-3500

IDLER, FAN

11

6207-61-3510

PULLEY, IDLER

12

6207-61-3520

SHAFT

13

06034-06304

BEARING

14

04065-05220

RING, SNAP

15

6207-61-3530

COVER

16

6207-61-3540

NUT

17

6207-61-3560

WASHER

18

6207-61-3550

BOLT

19

01643-31232

WASHER

20

6209-61-3880

PULLEY, FAN DRIVE

21

6207-61-3350

BRACKET

22

01435-01020

BOLT

23

01435-01025

BOLT

24

01435-01070

BOLT

25

01435-00870

BOLT

Выбрано товаров: 27