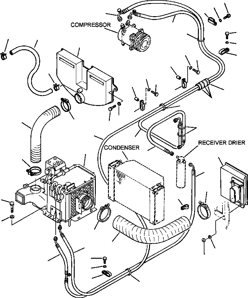
Запчасти Komatsu PC220LC-6LE FIG NO. K7-A КОНДИЦ. ВОЗДУХА - EAGLE ТРУБЫ КАБИНА ОПЕРАТОРА И СИСТЕМА УПРАВЛЕНИЯ

Схема запчастей Komatsu PC220LC-6LE - FIG NO. K7-A КОНДИЦ. ВОЗДУХА - EAGLE ТРУБЫ КАБИНА ОПЕРАТОРА И СИСТЕМА УПРАВЛЕНИЯ
21
24
20
16
19
27
21
10
9
4
24
24
20
22
25
10
24
22
25
20
28
27
27
20
6
7
8
5
27
19
16
1
17
13
8
18
11
26
2
3
11
12
19
15
14
23
18
24
20
27
FIT
1:1
100%

Артикул

Название

Примечание

Количество

2

01010-81020

BOLT

3

01643-31032

WASHER

4

20Y-979-A710

VENT, CAB

5

01010-81225

BOLT

6

01643-31232

WASHER

7

20Y-979-A720

DUCT, A/C UNIT TO CAB VENT

8

07281-00809

CLAMP, DUCT

9

20Y-979-A730

DUCT, CAB VENT TO HOT/COLD BOX

10

07281-00419

CLAMP, DUCT

11

07281-01159

CLAMP, DUCT

12

20Y-977-A180

HOSE, AIR INLET

14

01598-00608

NUT, LOCK

15

01643-30623

WASHER

16

20Y-979-A610

HOSE - COMPRESSOR TO CONDENSER

|$16

425-963-AB60

O-RING

|$17

425-963-AC90

CAP, CHARGING PORT

17

20Y-979-A620

HOSE - CONDENSER TO DRIER

|$19

425-963-AB70

O-RING

18

20Y-979-A630

HOSE - DRIER TO EVAPORATOR

|$21

425-963-AB70

O-RING

19

20Y-979-A640

HOSE - EVAPORATOR TO COMPRESSOR

|$23

425-963-AB80

O-RING

|$24

425-963-AD10

CAP, CHARGING PORT

20

421-07-11550

CLIP, HOSE

21

01010-81225

BOLT

22

01010-81260

BOLT

23

01010-81230

BOLT

24

01643-31232

WASHER

25

20Y-03-11220

SPACER

26

04434-51810

CLIP

27

08034-00536

BAND, WHITE

28

205-62-53780

COVER

Выбрано товаров: 32