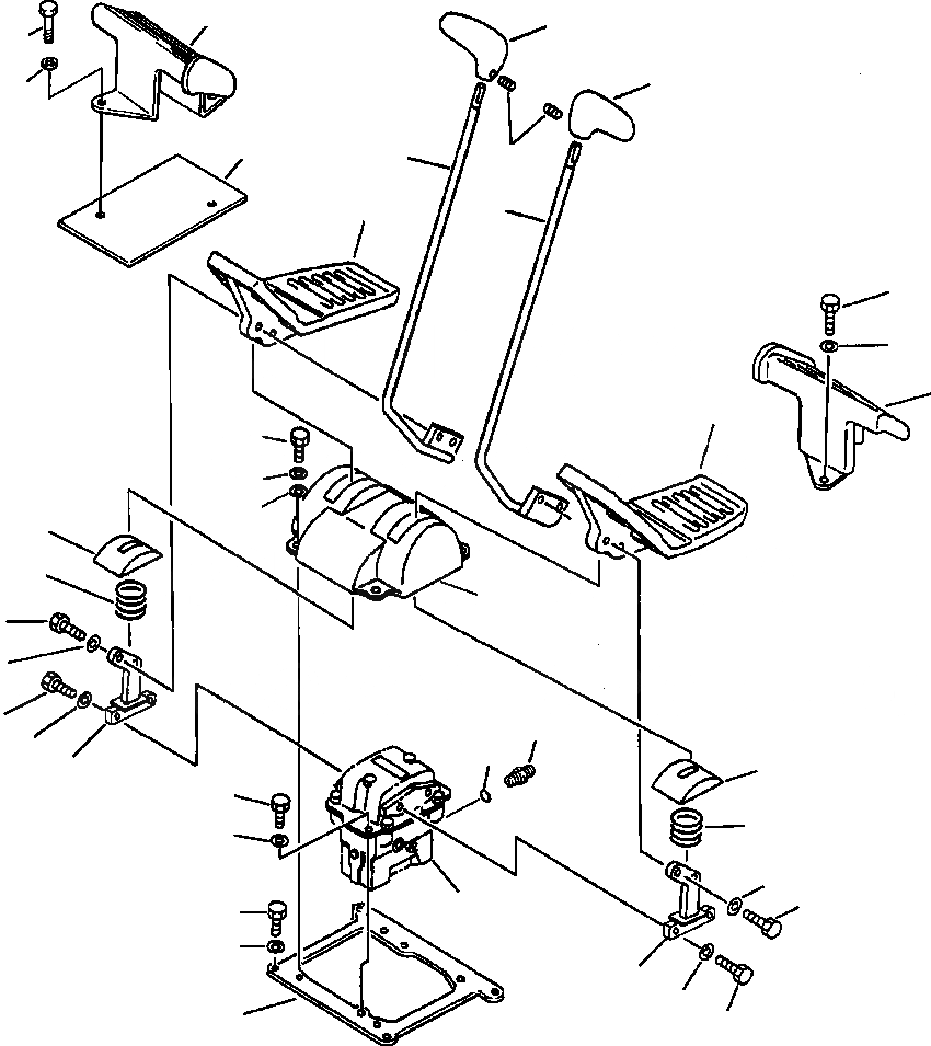
Запчасти Komatsu PC220LC-6LE FIG NO. K- РЫЧАН УПРАВЛ-Я ХОДОМ КАБИНА ОПЕРАТОРА И СИСТЕМА УПРАВЛЕНИЯ

Схема запчастей Komatsu PC220LC-6LE - FIG NO. K- РЫЧАН УПРАВЛ-Я ХОДОМ КАБИНА ОПЕРАТОРА И СИСТЕМА УПРАВЛЕНИЯ
30
17
31
16
32
33
15
18
20
14
28
29
27
19
7
8
35
5
4
6
21
22
2
10
3
11
1
5
12
4
13
24
23
34
25
26
1
3
9
2
FIT
1:1
100%

Артикул

Название

Примечание

Количество

1

203-43-61310

LEVER

2

01010-81030

BOLT

3

01643-31032

WASHER

4

203-43-51620

SPRING

5

20Y-43-21140

COVER

6

20Y-43-21151

COVER

7

01010-D1025

BOLT

8

203-54-56970

WASHER

9

20Y-43-21161

PLATE

10

07230-20210

NIPPLE

11

07002-01423

O-RING

12

01010-81025

BOLT

13

01643-31032

WASHER

14

20Y-43-21121

LEVER, L.H

15

20Y-43-21131

LEVER, R.H

16

20Y-43-21231

KNOB, L.H

17

20Y-43-21241

KNOB, R.H

18

01023-20416

SCREW

19

20Y-43-21180

PEDAL, L.H

20

20Y-43-21190

PEDAL, R.H

21

01010-D1045

BOLT

22

01643-71032

WASHER

23

01010-D1045

BOLT

24

01643-71032

WASHER

25

01010-D1025

BOLT

26

01643-71032

WASHER

27

20Y-54-36521

BRACKET, L.H

28

01010-81225

BOLT

29

01643-31232

WASHER

30

20Y-54-36531

BRACKET, R.H

31

01010-81225

BOLT

32

01643-31232

WASHER

33

20Y-54-36691

COVER

35

20Y-43-21260

COLLAR

Выбрано товаров: 34