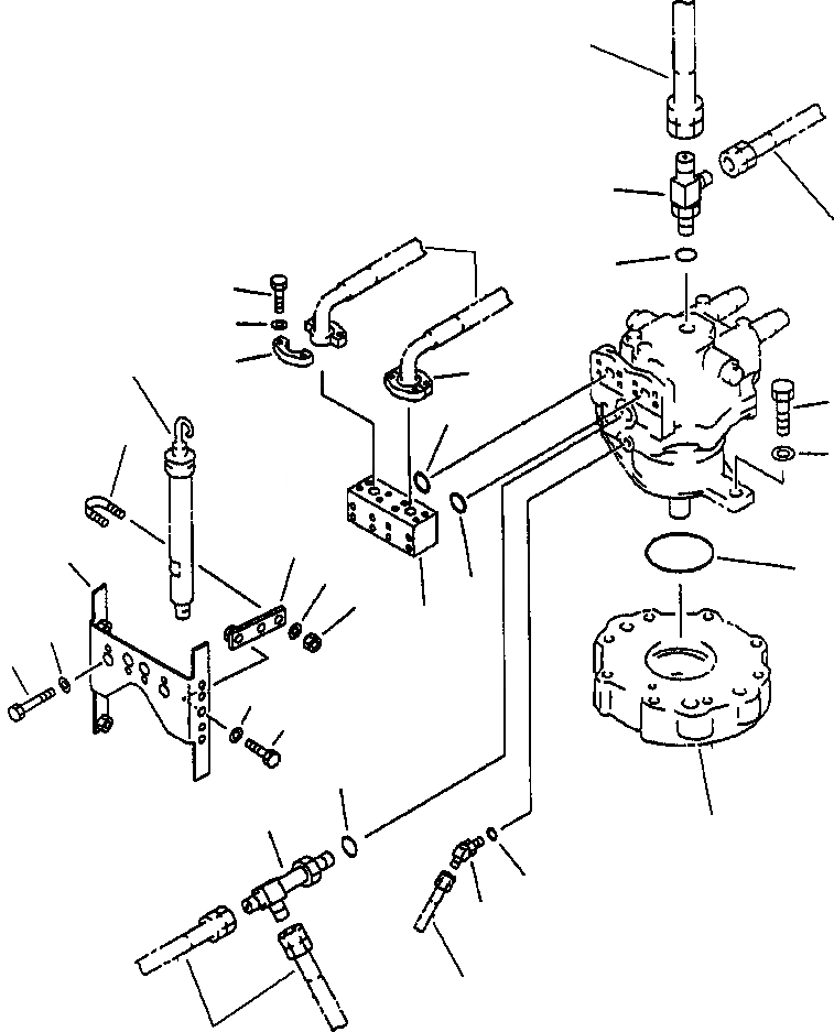
Запчасти Komatsu PC220LC-6LE FIG NO. N- МОТОР ПОВОРОТА СОЕДИНИТЕЛЬН. ЧАСТИ БЕЗ ПОВОРОТН. DAMPENING ДЛЯ ONE, TWO, И THREE АКТУАТОРS ПОВОРОТН. КРУГ И КОМПОНЕНТЫ

Схема запчастей Komatsu PC220LC-6LE - FIG NO. N- МОТОР ПОВОРОТА СОЕДИНИТЕЛЬН. ЧАСТИ БЕЗ ПОВОРОТН. DAMPENING ДЛЯ ONE, TWO, И THREE АКТУАТОРS ПОВОРОТН. КРУГ И КОМПОНЕНТЫ
26
11
30
25
12
9
10
24
8
8
2
14
21
3
18
15
23
1
14
22
13
17
16
20
19
5
4
29
7
6
28
27
FIT
1:1
100%

Артикул

Название

Примечание

Количество

1

07000-02110

O-RING

2

01010-82055

BOLT

3

01643-32060

WASHER

4

20Y-62-21620

TEE

5

07002-02434

O-RING

6

07236-10210

ELBOW

7

07002-01423

O-RING

8

07371-30640

FLANGE

9

07372-21035

BOLT

10

01643-51032

WASHER

13

20Y-62-21421

BLOCK

14

21T-09-11450

O-RING

15

20Y-62-21335

BRACKET

16

01010-81080

BOLT

17

01643-51032

WASHER

18

20Y-62-21743

BRACKET

19

01010-81230

BOLT

20

01643-31232

WASHER

21

07283-22738

CLIP

22

01599-01011

NUT

23

01643-31032

WASHER

Выбрано товаров: 21