Запчасти Komatsu PC220LC-6Z ОСНОВН. КЛАПАН (-АКТУАТОР) (/)(№-8) ОСНОВН. КОМПОНЕНТЫ И РЕМКОМПЛЕКТЫ

Схема запчастей Komatsu PC220LC-6Z - ОСНОВН. КЛАПАН (-АКТУАТОР) (/)(№-8) ОСНОВН. КОМПОНЕНТЫ И РЕМКОМПЛЕКТЫ
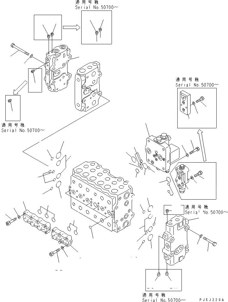
1
1A
1A
1A
2
2A
2A
2B
3
4
5
5
6
7
8
8
8
8
9
9
9
10
10
10
10
10
11
12
13
13
14
14
14
14
15
15
15
15
16
16
17
18
19
19
19
20
20
21
21
22
22
23
23
24
FIT
1:1
100%

Артикул

Название

Примечание

Количество

|$3

723-47-11501

VALVE ASS'Y

|$4

723-47-11500

VALVE ASS'Y

|$5

723-47-11105

VALVE ASS'Y

|$10

723-46-00610

COVER ASS'Y

1

COVER

1A

PLUG

|$13

723-46-00620

COVER ASS'Y

2

COVER

2A

PLUG

2B

PLUG

3

PLUG

4

723-40-70100

VALVE ASS'Y

5

723-46-15280

PLATE

5

723-40-80102

VALVE ASS'Y

6

723-40-66100

VALVE ASS'Y

7

723-40-66200

VALVE ASS'Y

8

07000-12012

O-RING

9

07000-12015

O-RING

10

07000-12018

O-RING

11

07000-12021

O-RING

12

07000-13025

O-RING

13

07000-13028

O-RING

14

07000-13032

O-RING

15

07000-03040

O-RING

16

PLUG

17

01010-61490

BOLT

18

01010-61460

BOLT

19

01643-31445

WASHER

20

01010-81040

BOLT

20

01010-81060

BOLT

21

01643-31032

WASHER

22

01252-61050

BOLT

23

01643-51032

WASHER

24

01011-61455

BOLT

Выбрано товаров: 0