Запчасти Komatsu PC220LC-7-BA ОСНОВН. КЛАПАН (-АКТУАТОР) (7/) ОСНОВН. КОМПОНЕНТЫ И РЕМКОМПЛЕКТЫ

Схема запчастей Komatsu PC220LC-7-BA - ОСНОВН. КЛАПАН (-АКТУАТОР) (7/) ОСНОВН. КОМПОНЕНТЫ И РЕМКОМПЛЕКТЫ
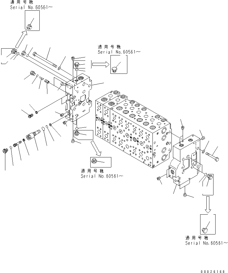
1
2
2
2
2
3
4
5
5
5
5
6
6
6
6
6
6
6
6
7
7
7
7
8
9
10
11
12
13
14
15
16
17
18
19
20
21
22
23
24
25
25
26
FIT
1:1
100%

Артикул

Название

Примечание

Количество

|1

723-48-20502

VALVE ASS'Y

|1

723-48-20501

VALVE ASS'Y

|1

723-48-20500

VALVE ASS'Y

|1

723-46-00750

COVER ASS'Y

1

COVER,A

2

PLUG

3

PLUG

|4

723-46-00742

COVER ASS'Y

4

COVER,B

5

PLUG

6

708-8E-16250

PLUG

|6

723-46-15180

PLUG

7

07002-11823

O-RING

8

708-8H-11530

PLUG

9

07002-11423

O-RING

|10

723-46-17600

PLUG ASS'Y

10

723-46-17610

SLEEVE

11

723-46-17640

PLUG

12

702-21-55760

FILTER

13

07002-11423

O-RING

14

07000-11007

O-RING

15

07001-01007

RING,BACK-UP

16

708-8E-16160

PLUG

17

07002-11023

O-RING

18

723-40-82220

FILTER

19

723-46-17550

PLUG

20

723-46-15190

VALVE

21

723-46-14140

SPRING

22

708-8E-16160

PLUG

23

07002-11023

O-RING

24

01010-61490

BOLT

25

01643-31445

WASHER

26

723-46-15220

BOLT

Выбрано товаров: 33