Запчасти Komatsu PC220LC-7 ОСНОВН. КОНСТРУКЦИЯ (ЭЛЕКТР.) (С КОНДИЦ. ВОЗДУХА)(№-) КАБИНА ОПЕРАТОРА И СИСТЕМА УПРАВЛЕНИЯ

Схема запчастей Komatsu PC220LC-7 - ОСНОВН. КОНСТРУКЦИЯ (ЭЛЕКТР.) (С КОНДИЦ. ВОЗДУХА)(№-) КАБИНА ОПЕРАТОРА И СИСТЕМА УПРАВЛЕНИЯ
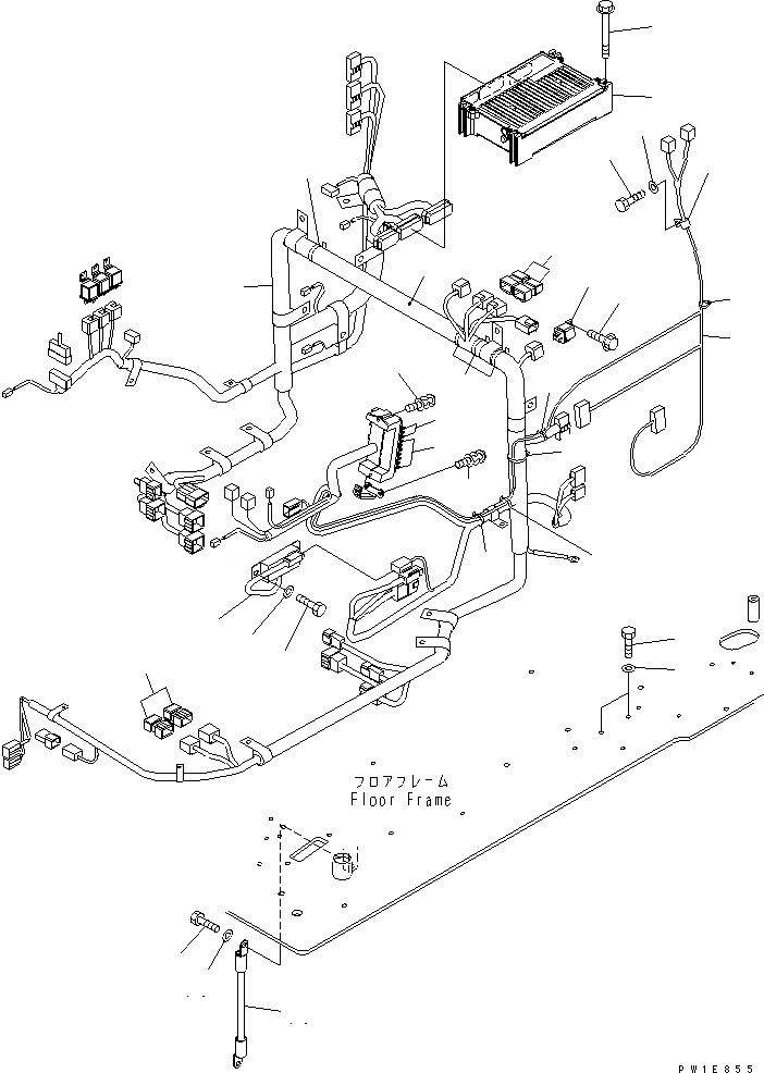
1
2
3
4
5
6
7
8
9
10
10
11
12
13
14
15
15
16
17
18
19
20
21
22
22
23
23
23
24
25
26
FIT
1:1
100%

Артикул

Название

Примечание

Количество

1

7835-26-1009

CONTROLLER

1

7835-26-1008

CONTROLLER

1

7835-26-1007

CONTROLLER

1

7835-26-1006

CONTROLLER

1

7835-26-1005

CONTROLLER

2

01435-00880

BOLT

3

7861-94-3000

RESISTOR

4

01010-80820

BOLT

5

01643-30823

WASHER

6

20Y-06-31371

WIRING HARNESS

7

08041-01000

FUSE, 10A

8

08041-02000

FUSE, 20A

9

20Y-979-6870

SHEET

10

08034-20519

BAND

11

01023-60620

SCREW

12

01023-60620

SCREW

13

569-06-61960

RELAY

14

01435-00612

BOLT

15

8233-06-3350

DIODE

16

08028-43030

CABLE, GROUND

17

01010-81020

BOLT

18

01643-31032

WASHER

19

01010-81020

BOLT

20

01643-31032

WASHER

21

20Y-979-6861

WIRING HARNESS

21

20Y-979-6860

WIRING HARNESS

22

08034-20414

BAND

23

08034-20823

BAND

24

04434-51408

CLIP

25

01010-80820

BOLT

26

01643-30823

WASHER

Выбрано товаров: 31