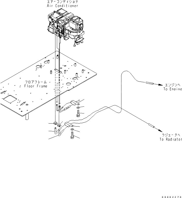
Запчасти Komatsu PC220LC-7 ОСНОВН. КОНСТРУКЦИЯ (ШЛАНГИ ОБОГРЕВАТЕЛЯ И КРЕПЛЕНИЕ)(№-) КАБИНА ОПЕРАТОРА И СИСТЕМА УПРАВЛЕНИЯ

Схема запчастей Komatsu PC220LC-7 - ОСНОВН. КОНСТРУКЦИЯ (ШЛАНГИ ОБОГРЕВАТЕЛЯ И КРЕПЛЕНИЕ)(№-) КАБИНА ОПЕРАТОРА И СИСТЕМА УПРАВЛЕНИЯ
1
2
3
3
4
5
6
7
8
9
FIT
1:1
100%

Артикул

Название

Примечание

Количество

1

206-979-7110

HOSE ASS'Y

2

20Y-979-6710

HOSE ASS'Y

3

11Y-09-11160

CLIP

3

09480-10100

CLAMP

4

141-06-11220

CLIP

5

01010-81016

BOLT

6

01643-31032

WASHER

7

141-06-11220

CLIP

8

01010-81016

BOLT

9

01643-31032

WASHER

Выбрано товаров: 10