Запчасти Komatsu PC220LC-8 КАБИНА (ПОЛ) (P.P.C. РЫЧАГ БЛОКИРОВКИ И РАДИО) (ДЛЯ АЗИИ) КАБИНА ОПЕРАТОРА И СИСТЕМА УПРАВЛЕНИЯ

Схема запчастей Komatsu PC220LC-8 - КАБИНА (ПОЛ) (P.P.C. РЫЧАГ БЛОКИРОВКИ И РАДИО) (ДЛЯ АЗИИ) КАБИНА ОПЕРАТОРА И СИСТЕМА УПРАВЛЕНИЯ
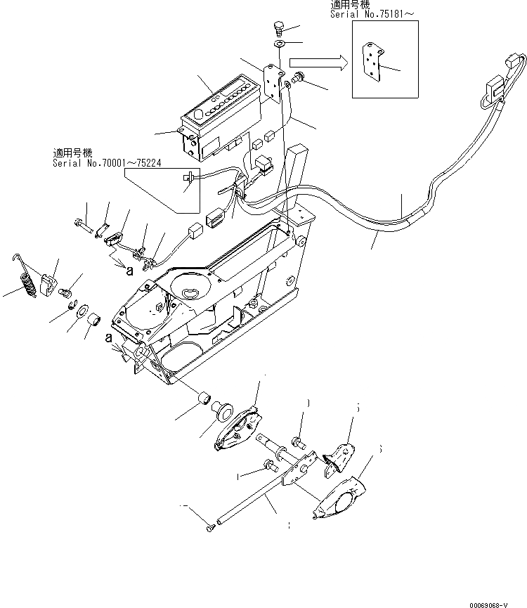
1
2
2
2
3
4
5
6
7
8
8
9
10
10
11
12
13
14
15
16
17
18
19
20
21
22
22
23
24
25
25
26
FIT
1:1
100%

Артикул

Название

Примечание

Количество

1

20Y-06-41236

RADIO

1

20Y-06-41235

RADIO

1

20Y-06-41233

RADIO

1

20Y-06-41232

RADIO

1

20Y-06-41230

RADIO

2

20Y-43-41482

PLATE

2

20Y-43-41481

PLATE

3

01023-60510

SCREW

3

01023-60510

SCREW

4

01010-80612

BOLT

5

01643-30623

WASHER

6

08912-51600

CORD

7

20Y-06-41121

WIRING HARNESS

8

08034-20414

BAND

8

08034-20414

BAND

9

20Y-06-41830

HARNESS

10

01023-60410

SCREW

11

08037-11425

GROMMET

12

208-53-12280

CAP

13

20Y-43-31513

LEVER

14

20Y-43-31522

COVER

15

20Y-43-31611

KNOB

16

20Y-43-31621

COVER

17

20Y-43-31432

CAM

18

01252-70816

BOLT

19

20Y-43-31421

SPRING

20

20Y-43-31440

RING

21

20Y-43-31450

RING

22

06124-01616

BEARING

23

22U-06-22490

PLATE

24

22U-06-22360

SWITCH ASS'Y

25

22U-43-23260

CLIP

26

01023-60316

SCREW

Выбрано товаров: 33