Запчасти Komatsu PC220LC-8 ОСНОВН. УПРАВЛЯЮЩ. КЛАПАН (ДЛЯ -АКТУАТОР) (СОЕДИНИТЕЛЬН. ЧАСТИ) (/) ГИДРАВЛИКА

Схема запчастей Komatsu PC220LC-8 - ОСНОВН. УПРАВЛЯЮЩ. КЛАПАН (ДЛЯ -АКТУАТОР) (СОЕДИНИТЕЛЬН. ЧАСТИ) (/) ГИДРАВЛИКА
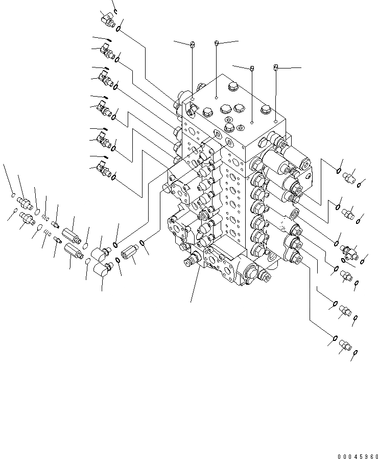
1
2
2
3
3
4
4
5
5
6
6
7
7
8
8
8
9
9
9
10
11
12
13
13
14
14
15
15
16
17
18
18
18
18
18
18
18
18
18
18
18
18
19
20
20
21
21
21
22
22
23
23
24
24
25
25
26
26
27
27
28
28
FIT
1:1
100%

Артикул

Название

Примечание

Количество

1

723-47-23203

VALVE ASS'Y

1

723-47-23201

VALVE ASS'Y

2

07049-01012

PLUG

3

07049-01215

PLUG

4

20Y-62-45620

ELBOW

5

02896-11008

O-RING

6

20Y-62-45610

NIPPLE

7

02896-11008

O-RING

8

11Y-62-12160

ELBOW

9

02896-11008

O-RING

10

02782-10311

ELBOW

11

02896-11009

O-RING

12

11Y-62-12330

ELBOW

13

02896-11008

O-RING

14

11Y-62-12130

NIPPLE

15

02896-11008

O-RING

16

11Y-62-12520

NIPPLE

17

02896-11009

O-RING

18

07002-11423

O-RING

19

20Y-62-22160

ADAPTER

20

20F-61-12460

ELBOW

21

07002-11423

O-RING

|$24

20Y-62-41602

VALVE ASS'Y

22

BODY

23

20Y-60-22270

POPPET

24

20Y-62-41971

NIPPLE

25

701-20-61230

SPRING

26

07002-11423

O-RING

27

02896-11008

O-RING

28

07002-11423

O-RING

Выбрано товаров: 0