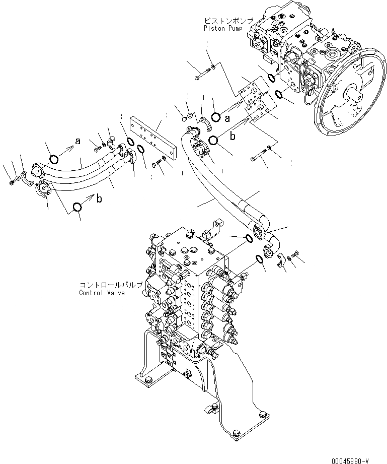
Запчасти Komatsu PC220LC-8 ЛИНИЯ ПОДАЧИ ГИДРАВЛИКА

Схема запчастей Komatsu PC220LC-8 - ЛИНИЯ ПОДАЧИ ГИДРАВЛИКА
1
2
2
3
4
4
5
5
6
7
8
8
9
9
10
10
10
10
11
11
12
12
13
14
14
15
16
17
17
18
18
18
18
19
20
21
21
22
22
FIT
1:1
100%

Артикул

Название

Примечание

Количество

1

07084-01AA9

HOSE

2

07000-13032

O-RING

3

20Y-62-52690

HOSE

4

07000-13032

O-RING

5

07371-31049

FLANGE

6

07372-21035

BOLT

7

01643-51032

WASHER

8

20Y-62-52790

BLOCK

9

07000-13032

O-RING

10

07371-31049

FLANGE

11

07372-21035

BOLT

12

01643-51032

WASHER

13

20Y-62-52472

BRACKET

13

20Y-62-52471

BRACKET

14

07371-30640

FLANGE

15

07372-21035

BOLT

16

01643-51032

WASHER

17

20Y-62-52460

HOSE

18

07000-13032

O-RING

19

01010-81245

BOLT

19

01010-81240

BOLT

20

01643-31232

WASHER

21

01011-81025

BOLT

22

01643-31032

WASHER

Выбрано товаров: 24