Запчасти Komatsu PC220LC-8 НАВЕСН.ОБОРУД. ЛИНИЯ (ОСНОВН. ЛИНИЯ¤ ЛЕВ.) (ДЛЯ -АКТУАТОР) ГИДРАВЛИКА

Схема запчастей Komatsu PC220LC-8 - НАВЕСН.ОБОРУД. ЛИНИЯ (ОСНОВН. ЛИНИЯ¤ ЛЕВ.) (ДЛЯ -АКТУАТОР) ГИДРАВЛИКА
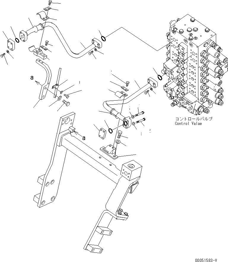
1
2
3
3
4
4
5
5
6
7
8
9
10
11
12
13
14
15
16
17
18
19
20
21
22
23
24
25
26
27
28
29
30
31
32
33
34
35
FIT
1:1
100%

Артикул

Название

Примечание

Количество

1

20Y-62-43942

TUBE

2

20Y-62-51290

TUBE

3

07372-21040

BOLT

4

01643-51032

WASHER

5

07000-13032

O-RING

6

20Y-62-52890

BRACKET

7

01010-81230

BOLT

8

01643-31232

WASHER

9

20Y-62-13180

CLAMP

10

20Y-62-13761

SEAT

11

20Y-62-13450

PLATE

12

01010-81235

BOLT

13

20Y-62-43590

BRACKET

14

01010-81250

BOLT

15

01643-31232

WASHER

16

20Y-62-53110

BRACKET

17

01010-81240

BOLT

18

20Y-62-13450

PLATE

19

20Y-62-13180

CLAMP

20

20Y-62-13761

SEAT

21

01010-81235

BOLT

22

20Y-62-13450

PLATE

23

207-62-56190

FLANGE

24

07000-13032

O-RING

25

07372-21040

BOLT

26

01643-51032

WASHER

27

04434-51212

CLIP

28

01010-81225

BOLT

29

01643-31232

WASHER

30

07379-00640

FLANGE

31

07000-13030

O-RING

32

07372-21045

BOLT

33

01643-51032

WASHER

34

07372-21060

BOLT

35

01643-51032

WASHER

Выбрано товаров: 35