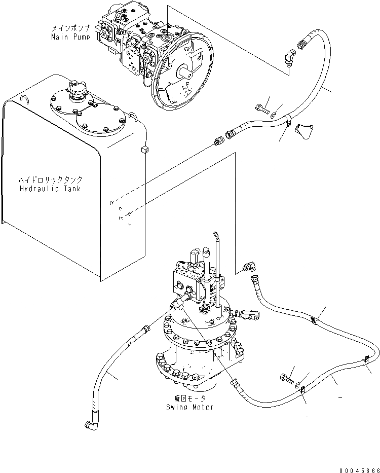
Запчасти Komatsu PC220LC-8 ВОЗВРАТН. ЛИНИИ ГИДРАВЛИКА

Схема запчастей Komatsu PC220LC-8 - ВОЗВРАТН. ЛИНИИ ГИДРАВЛИКА
1
2
3
3
3
4
5
6
7
8
9
FIT
1:1
100%

Артикул

Название

Примечание

Количество

1

02763-00508

HOSE

2

20Y-62-42471

HOSE, 2200MM

3

04434-52312

CLIP

4

01010-81225

BOLT

5

01643-31232

WASHER

6

20Y-62-43870

HOSE, 1300MM

7

04434-52712

CLIP

8

01010-81225

BOLT

9

01643-31232

WASHER

Выбрано товаров: 9