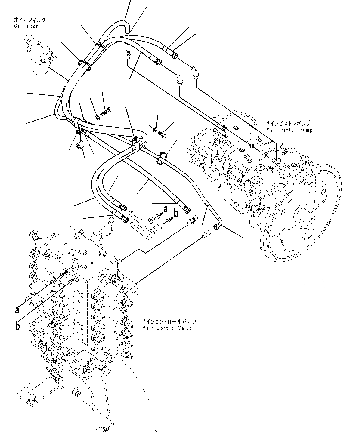
Запчасти Komatsu PC220LC-8 LS ТРУБЫ (№877-) LS ТРУБЫ, ДОПОЛН. АКТУАТОР ТРУБЫ, АККУМУЛЯТОР

Схема запчастей Komatsu PC220LC-8 - LS ТРУБЫ (№877-) LS ТРУБЫ, ДОПОЛН. АКТУАТОР ТРУБЫ, АККУМУЛЯТОР
1
2
3
1
8
9
11
14
12
13
15
2
3
4
5
4
5
17
17
17
16
10
6
7
6
7
FIT
1:1
100%

Артикул

Название

Примечание

Количество

1

20Y-62-53651

Hose

1

20Y-62-53650

Hose

2

20Y-62-53661

Hose

2

20Y-62-53660

Hose

3

20Y-62-22790

Band, Red

4

20Y-62-53671

Hose

4

20Y-62-53670

Hose

5

20Y-62-22820

Band, Blue

6

20Y-62-51922

Hose Assembly

7

20Y-62-22810

Band, Yellow

8

04435-51612

Clip

9

01010-81220

Bolt

10

01643-31232

Washer

11

04435-51612

Clip

12

04434-51312

Clip

13

04434-51812

Clip

13

04434-51612

Clip

14

195-33-11220

Spacer

15

01010-81255

Bolt

16

01643-31232

Washer

17

08034-20536

Band

Выбрано товаров: 21