Запчасти Komatsu PC220LC-8 ОСНОВНАЯ РАМА (№877-) ОСНОВНАЯ РАМА

Схема запчастей Komatsu PC220LC-8 - ОСНОВНАЯ РАМА (№877-) ОСНОВНАЯ РАМА
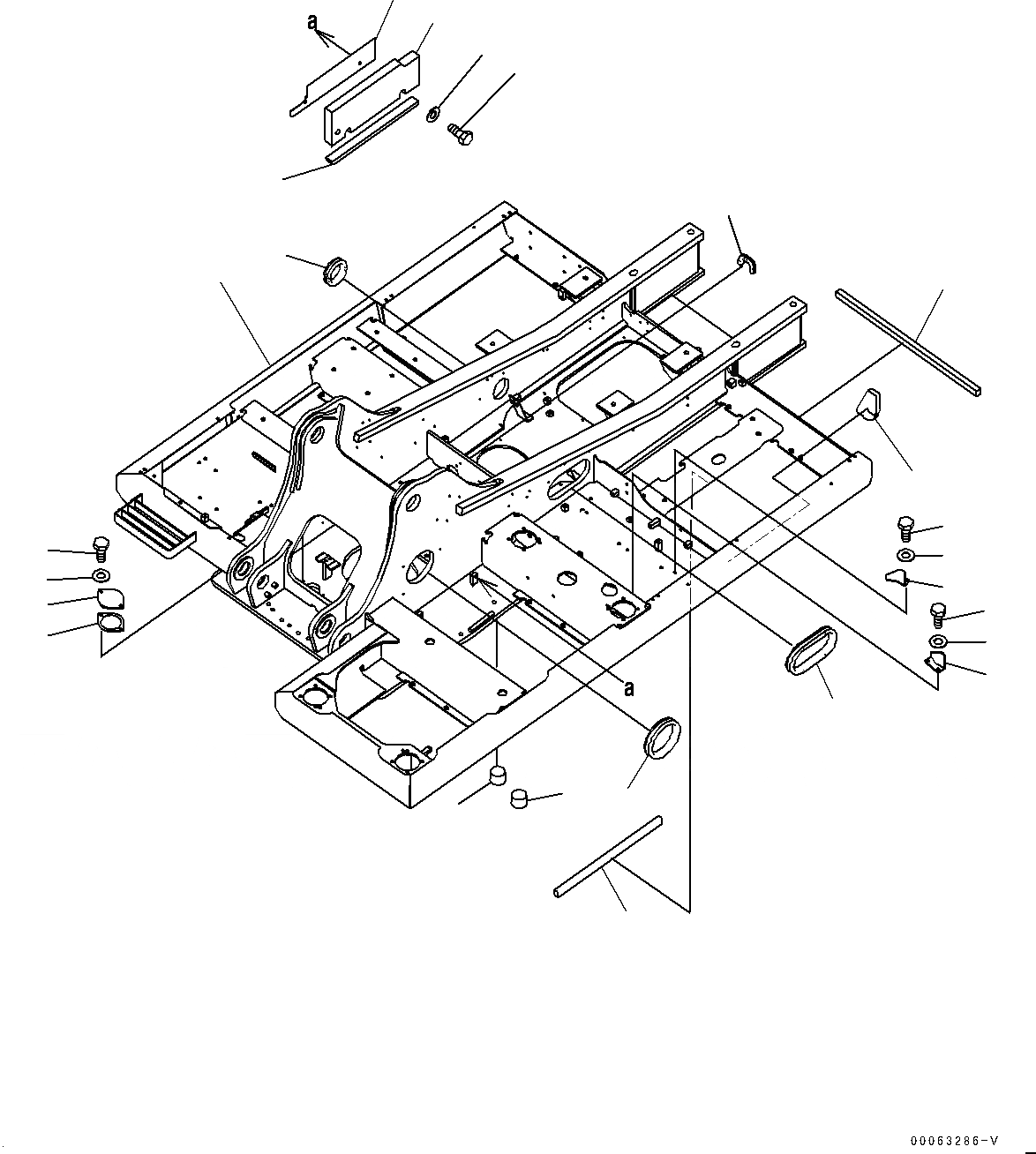
1
19
21
20
3
2
5
4
6
6
7
8
10
9
10
9
22
11
12
13
15
14
18
17
16
FIT
1:1
100%

Артикул

Название

Примечание

Количество

1

206-46-21101

Frame

2

205-30-71181

Cover

3

205-30-71191

Gasket

4

01010-81230

Bolt

5

01643-31232

Washer

6

20Y-46-41280

Plug

7

20Y-54-61670

Bracket

8

20Y-54-61680

Bracket

9

01010-81230

Bolt

10

01643-31232

Washer

|$10

20Y-46-52441

Cover

11

Cover

12

20Y-46-52180

Sheet

13

20Y-46-52172

Sheet

14

01010-81230

Bolt

15

01643-31232

Washer

16

20Y-46-52150

Seal

17

20Y-46-51162

Sheet

18

20Y-46-52141

Sheet

19

206-46-71170

Grommet

20

206-46-21180

Grommet

21

206-46-21190

Grommet

22

20Y-46-51140

Grommet

Выбрано товаров: 23