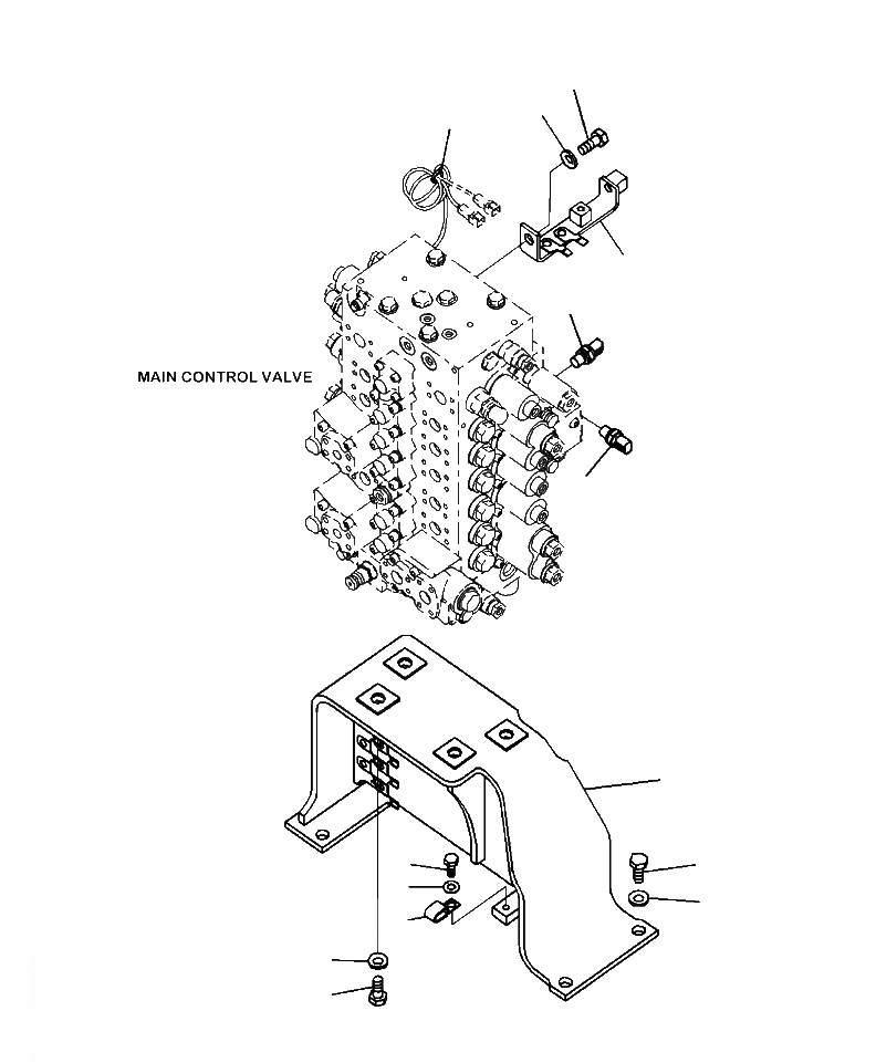
Запчасти Komatsu PC220LC-8 H-A ОСНОВН. УПРАВЛЯЮЩ. КЛАПАН КОРПУС КРЕПЛЕНИЯ ГИДРАВЛИКА

Схема запчастей Komatsu PC220LC-8 - H-A ОСНОВН. УПРАВЛЯЮЩ. КЛАПАН КОРПУС КРЕПЛЕНИЯ ГИДРАВЛИКА
12
13
7
11
6
6
1
9
2
10
3
8
5
4
FIT
1:1
100%

Артикул

Название

Примечание

Количество

1

20Y-62-51112

BRACKET

2

01010-81640

BOLT

3

01643-31645

WASHER

4

01010-81645

BOLT

5

01643-31645

WASHER

6

7861-93-1812

SENSOR

7

08034-20536

BAND

8

04435-51512

CLIP

9

01010-81225

BOLT

10

01643-31232

WASHER

11

20Y-62-51471

BRACKET

12

01010-81635

BOLT

13

01643-31645

WASHER

Выбрано товаров: 13