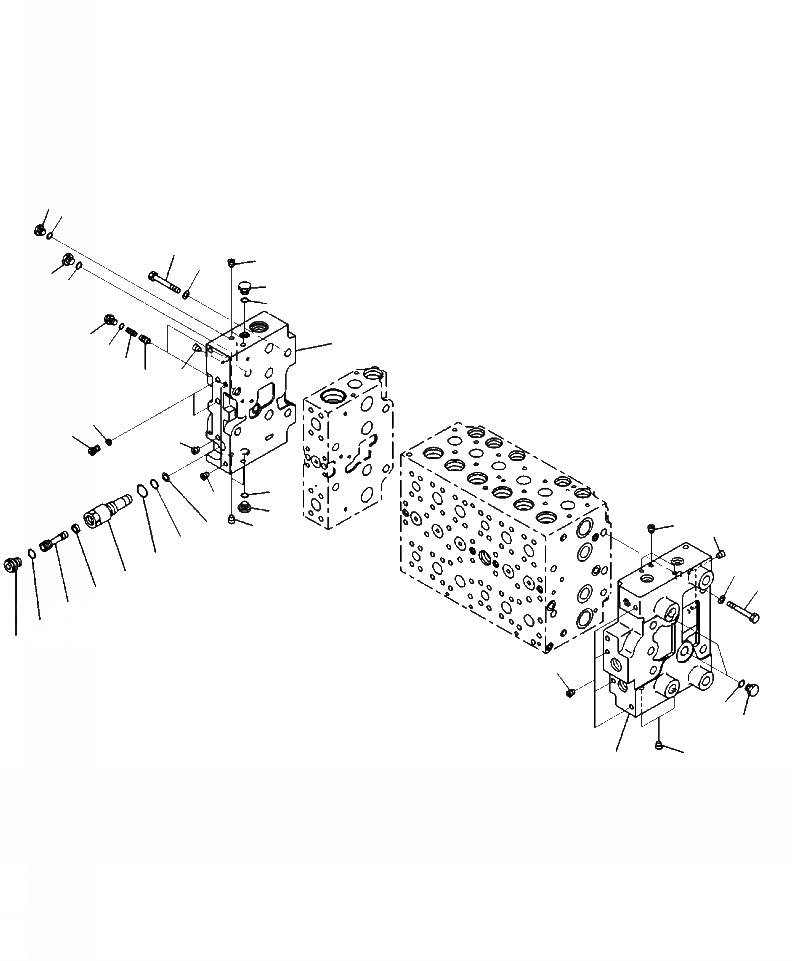
Запчасти Komatsu PC220LC-8 H-7A ОСНОВН. УПРАВЛЯЮЩ. КЛАПАН END COVER ГИДРАВЛИКА

Схема запчастей Komatsu PC220LC-8 - H-7A ОСНОВН. УПРАВЛЯЮЩ. КЛАПАН END COVER ГИДРАВЛИКА
8
9
24
25
2
6
6
7
7
1
22
23
21
2
20
18
19
3
7
2
6
5
5
2
15
14
25
13
26
10
12
11
17
16
5
7
6
5
4
FIT
1:1
100%

Артикул

Название

Примечание

Количество

|$1

723-46-00750

COVER ASSEMBLY

1

NSS

COVER, (A)

2

NSS

PLUG

3

708-21-12531

PLUG

|$5

723-46-00790

COVER ASSEMBLY

4

723-46-11760

COVER, (B)

5

NSS

PLUG

6

708-8E-16250

PLUG

7

07002-11823

O-RING

8

708-8H-11530

PLUG

9

07002-11423

O-RING

|$12

723-46-17600

PLUG ASSEMBLY

10

723-46-17610

SLEEVE

11

723-46-17640

PLUG

12

702-21-55760

FILTER

13

07002-11423

O-RING

14

07000-11007

O-RING

15

07001-01007

RING, BACK-UP

16

708-8E-16160

PLUG

17

07002-11023

O-RING

18

723-40-82220

FILTER

19

723-46-17550

PLUG

20

723-46-15190

VALVE

21

723-46-14140

SPRING

22

708-8E-16160

PLUG

23

07002-11023

O-RING

24

01010-61490

BOLT

25

01643-31445

WASHER

26

01011-61455

BOLT

Выбрано товаров: 29