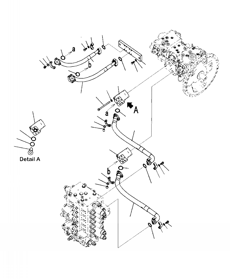
Запчасти Komatsu PC220LC-8 H-A ГИДРОЛИНИЯ ЛИНИЯ ПОДАЧИ (ПРОХОДНОЙ ФИЛЬТР) ГИДРАВЛИКА

Схема запчастей Komatsu PC220LC-8 - H-A ГИДРОЛИНИЯ ЛИНИЯ ПОДАЧИ (ПРОХОДНОЙ ФИЛЬТР) ГИДРАВЛИКА
21
17
19
18
12
13
15
14
20
16
12
25
21
24
8
23
22
20
8
13
4
15
14
3
10
11
9
8
2
13
6
7
15
5
14
4
1
6
7
5
2
FIT
1:1
100%

Артикул

Название

Примечание

Количество

1

20Y-62-51630

HOSE

2

07000-13032

O-RING

3

20Y-62-51640

HOSE

4

07000-13032

O-RING

5

07371-31049

FLANGE, SPLIT

6

07372-21035

BOLT

7

01643-51032

WASHER

8

20Y-60-41500

FILTER ASSEMBLY

9

20Y-60-31430

ELEMENT

10

07000-12035

O-RING

11

21K-62-72790

RING, BACK-UP

12

07000-13035

O-RING

13

07371-31049

FLANGE, SPLIT

14

07372-21035

BOLT

15

01643-51032

WASHER

16

20Y-62-52474

BRACKET

17

07371-30640

FLANGE, SPLIT

18

07372-21035

BOLT

19

01643-51032

WASHER

20

20Y-62-52461

HOSE

21

07000-13032

O-RING

22

01011-81040

BOLT

23

01643-31032

WASHER

24

01010-81245

BOLT

25

01643-31232

WASHER

Выбрано товаров: 25