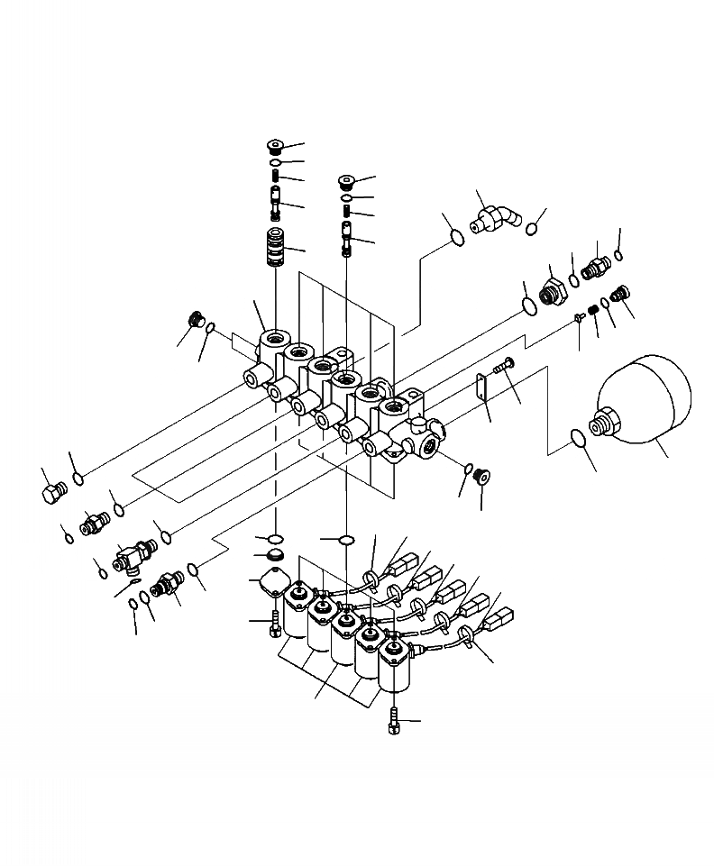
Запчасти Komatsu PC220LC-8 H8-A ГИДРОЛИНИЯ СОЛЕНОИДНЫЙ КЛАПАН (СТАНДАРТН.) ГИДРАВЛИКА

Схема запчастей Komatsu PC220LC-8 - H8-A ГИДРОЛИНИЯ СОЛЕНОИДНЫЙ КЛАПАН (СТАНДАРТН.) ГИДРАВЛИКА
21
4
21
36
9
4
37
38
19
9
42
41
11
43
18
39
40
1
8
25
7
20
6
24
23
17
27
28
44
35
45
33
24
35
34
20
26
15
3
32
3
14
34
5
13
12
16
10
35
34
29
22
30
31
26
2
22
FIT
1:1
100%

Артикул

Название

Примечание

Количество

|$0

20Y-60-41621

SOLENOID ASSEMBLY

1

NSS

BLOCK

2

20Y-60-32121

SOLENOID ASSEMBLY

3

20Y-60-31240

O-RING

4

20Y-60-31250

O-RING

5

NY01720-10600

STOPPER

6

NY05062-1170A

PLUNGER

7

NY05062-11800

SPRING

8

NY06277-1320A

PLUG

9

NY06339-10200

SPRING

10

NY07207-11700

TUBE

11

NSS

SPOOL

12

NY07529-10200

TUBE

13

NY07529-10300

TUBE

14

NY07529-10400

TUBE

15

NY07529-10500

TUBE

16

NY07926-10100

PLATE

17

NY09000-11400

PLATE

18

NSS

SLEEVE

19

NY16207-10300

SPOOL

20

NY80000-02100

PLUG

21

NY80000-02200

PLUG

22

NY81416-05012

BOLT

23

NY84110-00248

SCREW

24

NY86711-01008

O-RING

25

NY86711-01010

O-RING

26

NY89103-00090

BAND

27

07002-11423

O-RING

28

07040-11409

PLUG

29

20Y-62-16630

NIPPLE

30

201-60-11390

O-RING

31

20Y-62-19560

O-RING

32

20Y-62-41960

TEE

33

11Y-62-12130

NIPPLE

34

02896-11008

O-RING

35

07002-11423

O-RING

36

02783-10315

ELBOW

37

02896-11009

O-RING

38

07002-12034

O-RING

39

20Y-62-21940

FILTER ASSEMBLY

40

07002-12034

O-RING

41

11Y-62-12130

NIPPLE

42

02896-11008

O-RING

43

07002-11423

O-RING

44

20Y-60-A1221

ACCUMULATOR

44

20Y-60-A1220

ACCUMULATOR

45

07002-12034

O-RING

Выбрано товаров: 47