Запчасти Komatsu PC220LC-8 K7-A КАБИНА КОНДИЦ. ВОЗДУХА - ШЛАНГИ ДВИГАТЕЛЯS OPERATOR\XD S ОБСТАНОВКА И СИСТЕМА УПРАВЛЕНИЯ

Схема запчастей Komatsu PC220LC-8 - K7-A КАБИНА КОНДИЦ. ВОЗДУХА - ШЛАНГИ ДВИГАТЕЛЯS OPERATOR\XD S ОБСТАНОВКА И СИСТЕМА УПРАВЛЕНИЯ
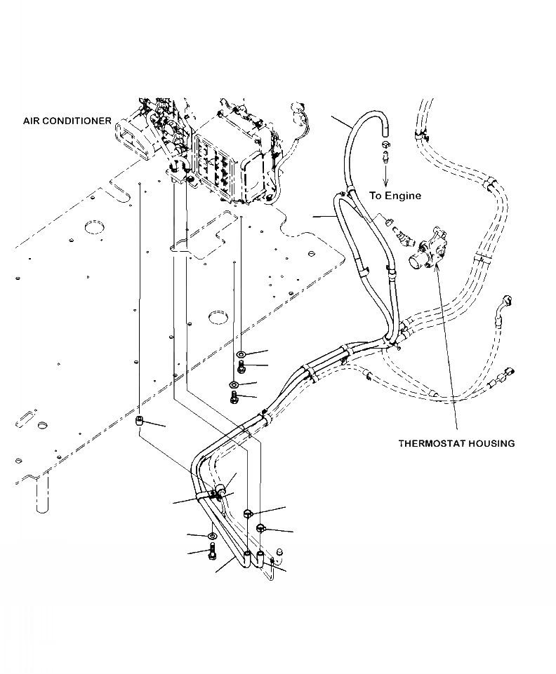
1
3
11
10
14
13
7
6
5
12
4
2
9
8
1
3
FIT
1:1
100%

Артикул

Название

Примечание

Количество

1

20Y-810-1332

HOSE ASSEMBLY, RED-WHITE

2

09479-02400

CLIP

3

20Y-810-1342

HOSE ASSEMBLY, WHITE

4

09479-02400

CLIP

5

04434-52110

CLIP

6

04434-52511

CLIP

7

195-33-11220

SPACER

8

01010-81045

BOLT

9

01643-31032

WASHER

10

01010-81016

BOLT

11

01643-31032

WASHER

12

141-06-11220

CLIP

13

01010-81016

BOLT

14

01643-31032

WASHER

Выбрано товаров: 14