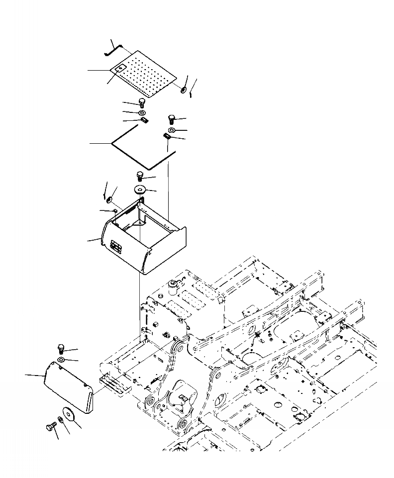
Запчасти Komatsu PC220LC-8 M-A РАМА КАБИНА (КОРПУС АККУМУЛЯТОРА) (заводской номер A88-A8899 ) ЧАСТИ КОРПУСА

Схема запчастей Komatsu PC220LC-8 - M-A РАМА КАБИНА (КОРПУС АККУМУЛЯТОРА) (заводской номер A88-A8899 ) ЧАСТИ КОРПУСА
12
3
13
14
5
8
9
6
4
7
4
11
14
19
13
18
10
2
15
16
1
17
16
15
FIT
1:1
100%

Артикул

Название

Примечание

Количество

1

20Y-54-74143

COVER

|$1

20Y-54-74104

CASE ASSEMBLY

2

20Y-54-74122

COVER

3

NSS

COVER

4

20Y-54-74161

HINGE, WELDED

5

421-54-11363

LOCK, WELDED

6

01010-81020

BOLT

7

01643-31032

WASHER

8

01010-81020

BOLT

9

01643-31032

WASHER

10

20Y-54-29680

SHEET

11

20Y-54-29660

SEAL

12

203-54-56630

ROD

13

01643-30623

WASHER

14

04050-01612

PIN, COTTER

15

01010-81230

BOLT

16

01643-31232

WASHER

17

20Y-54-19930

COLLAR

18

175-54-34170

WASHER

19

01010-81230

BOLT

Выбрано товаров: 20